题目
更多“读入开关量到8255A,再将其通过指示灯显示。以8255A的A口作输入,B口作输出,输入用开关,输出用发光二极管,要求”相关的问题
第1题
第2题
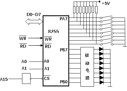
如下图所示,用8255A芯片扩展单片机的I/O口,8255的A口作输入,A口的每一位接一个开关,用B口作为输出,输出的每一位接一个发光二极管。现要求某个开关接高电平(为1)时,相应位上的发光二极管就亮(输出低电平0)。设8255的A口地址为70H,B口地址为71H,C口地址为72H,控制口地址为73H。完成下面程序填空。

START:MOV DFTR, ①
MOV A, ②
MOVX ③ ,A
MOV DPTR, ④
MOVX A, ⑤
CPL ⑥
INC ⑦
MOVX @DPTR, ⑧
AJMP START
答:①______;②______;③______;④______;
⑤______;⑥______;⑦______;⑧______。
第4题
A.90H
B.81H
C.93H
D.83H
第5题
第7题
8255A的方式选择控制字为80H,其含义是()。
A、A、B、C口全为输入
B、A口为输出,其他为输入
C、A、B为方式0
D、A、B、C口均为方式0,输出
第8题
(1)试指出两片8255A芯片各自的端口地址:
(2)试写出两片8255A芯片各自的方式控制字;
(3)试写出两片8255A芯片各自的初始化程序。
第10题
8255A三个数据端口均工作于方式0,A口读入数据后送B口输出,试写出程序(设8255A端口地址为60H,B口地址为61H,C口地址为62H,控制口地址为63H)。______
警告:系统检测到您的账号存在安全风险
为了保护您的账号安全,请在“赏学吧”公众号进行验证,点击“官网服务”-“账号验证”后输入验证码“”完成验证,验证成功后方可继续查看答案!