题目
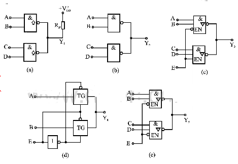
逻辑电路如图2.4.9所示。
(1)写出各电路名称: (2)当其为CMOS门时,写出输出表达式; (3)当其为TTL门时,写出输出表达式。
更多“逻辑电路如图2.4.9所示。 (1)写出各电路名称: (2)当其为CMOS门时,写出输出表达式;”相关的问题
第1题
CMOS电路如图3.3.1所示。 (1)写出电路输出逻辑函数表达式并进行化简; (2)改用TTL图腾柱输出逻辑门实现; (3)改用三态逻辑门实现。

第2题
电路如图T3.1所示。

(1)试问它是组合逻辑电路吗?
(2)写出S、C、P、L的逻辑表达式。
(3)当取S、C作为输出信号时,该电路实现了什么功能?
第3题
电路如图题2.4.9所示,A1,A2为理想运放,电容的初始电压vc(0)=0.(1)写出v0与v11,v12和v13之间的关系式;(2)写出当电路中电阻R1=R2=R3=R4=R5=R6=R时,输出电压v0的表达式。

第4题
的关系式; (2)写出当电路中电阻 R1=R2=R3=R4=R5=R6=R7时,输出电压Uo的表达式。

第5题
一个逻辑电路的输入(A,B,C)输出(X,Y)波形如图1.2.52所示,试写出电路的逻辑表达式(最小项之和形式,不要求化简)。

第7题
图2.4.4所示为OD门构成的电路。 (1)写出输出端的逻辑表达式; (2)当A、B都为高电平或者都为低电平时,输出何种电平? (3)当A、B有一个为高电平,另一个为低电平时,输出何种电平?

第8题
对于图A3-1所示电路分别写出门电路为TTL和CMOS时的输出FTTL和FCMOS的表达式。

第9题
辑表达式并化简
(2)列出真值表
(3)画出输出波形
(4)描述该电路的逻辑功能。

警告:系统检测到您的账号存在安全风险
为了保护您的账号安全,请在“赏学吧”公众号进行验证,点击“官网服务”-“账号验证”后输入验证码“”完成验证,验证成功后方可继续查看答案!