题目

更多“加工如下图所示零件,要求精加工外圆面及切断。”相关的问题
第2题
数控车削加工如图所示零件外圆面,试编制其加工程序。
提示:加工该零件外圆面时,刀具轨迹如下图所示。

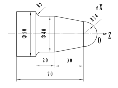
第3题
编出下图所示工件的加工程序。要求:毛坯为Φ70*120mm的棒料,零件加工完毕要求切断,试编写零件的加工程序。可选用车刀:T01(外圆粗、精加工车刀)、T03(4mm刀头宽的切断刀)、T04(60°外螺纹车刀)。

第4题
加工如下图所示轴套零件,其部分工序如下:
工序5 精车小端外圆、端面及肩面;
工序10 钻孔;
工序15 热处理;
工序20 磨孔及底面;
工序25 磨小端外圆及肩面。试求工序尺寸A、B及其极限偏差。

第7题
上加工,零件的加工过程如下:①下料;②车端面,打中心孔;③粗车各面;④精车各面;⑤热处理;⑥研磨中心孔;⑦磨削外圆。

第10题
下图所示为零件简图,其内、外圆均已加工完毕,外圆尺寸为φ90-0.100mm,内孔尺寸为咖600+0.05mm。现铣键槽,其深度要求为50+0.3mm,该尺寸不便直接测量,为检验槽深是否合格,可直接测量哪些尺寸?试标出它们的尺寸和公差。

第11题
下图所示零件的A、B、C面,φ100+0.027mm及φ300+0.033mm孔均已加工。试分析加工φ120+0.018mm孔时,选用哪些表面定位最合理。

警告:系统检测到您的账号存在安全风险
为了保护您的账号安全,请在“赏学吧”公众号进行验证,点击“官网服务”-“账号验证”后输入验证码“”完成验证,验证成功后方可继续查看答案!