题目

更多“试求图(a),(b),(c)中,A,B,C各点相对压强,图中p0是绝对压强,大气压强pa=1atm。”相关的问题
第1题
试求图(a)(b)(c)中A、B、C点的相对压强。P0是绝对压强,大气压强Pa=1atm。液体为水。

第2题
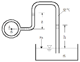
测量容器中A点压强的真空计如[例11]图所示.已知Z=1m,h=2m,当地大气压强p0=1bar(绝对压强),求A点的绝对压强、相对压强和真空度.

第3题
1=0.8m时,A点的绝对压强和相对压强。(2)若A点距基准面的高度z=5m,求A占的测压管高度及测管水头,并图示容器内液体各点的测压管水头线。(3)压力表M和酒精(
)测压计h的读数为何值?

第5题
封闭容器(见图2-11)水面的绝对压强P0=107.7kPa,当地大气压强Pa=98.07kPa。 (1)水深h1=0.8m时,A点的绝对压强和相对压强。 (2)若A点距基准面的高度Z=5m,求A点的测压管高度及测压管水头。 (3)压力表M和酒精(ρ=810ks/m3)测压计h的读数为何值?

第6题

第7题
(1)p0/γ=15m水柱为0.5m和0.2m,高(绝对压强),则两个测压管中液面高程各为多少?点1和点2的绝对压强、相对压强及测管水头各为多少?
(2)p0/γ=6m水柱高、则点1和点2的绝对压强、相对压强、测管水头及真空度是多少?

第9题
箱中表面的绝对压强p0和压力表读数.

第10题
如[例8]图所示,水泵进口前的真空表测得真空度hv=5.78m水柱、试换算成相对压强与绝对压强(当地大气压强pa=100kN/m),

第11题
封闭水箱如图2-2所示。自由面的绝对压强p0=122.6kPa,水箱内水深h=3m,当地大气压pa=88.26kPa。求: (1)水箱内绝对压强和相对压强最大值。 (2)如果p0=78.46lPa,求自由面上的相对压强、真空度或负压。

警告:系统检测到您的账号存在安全风险
为了保护您的账号安全,请在“赏学吧”公众号进行验证,点击“官网服务”-“账号验证”后输入验证码“”完成验证,验证成功后方可继续查看答案!