题目
1-46如图1-32所示,内流式锥阀的阀座孔无倒角,阀座孔直径d=27mm,主阀心直径D=28mm,锥阀半锥角α=15°。当阀心的开口量x=6.4mm时,阀进口压力p1=0.4MPa,出口压力p2=0,流量系数Cd=0.8,速度系数Cv=1,试求液流对阀心的作用力。

更多“1-46如图1-32所示,内流式锥阀的阀座孔无倒角,阀座孔直径d=27mm,主阀心直径D=28mm,锥阀半锥角α=15°。当阀心的”相关的问题
第1题
1-46如图1-32所示,内流式锥阀的阀座孔无倒角,阀座孔直径d=27mm,主阀心直径D=28mm,锥阀半锥角α=15°。当阀心的开口量x=6.4mm时,阀进口压力p1=0.4MPa,出口压力p2=0,流量系数Cd=0.8,速度系数Cv=1,试求液流对阀心的作用力。

第2题
如图3-64所示,汽油箱底部有锥阀。
其尺寸为d1=100mm,d2=50mm,d3=25mm,a=100mm,b=50mm,汽油密度ρ=830kg/m^3,略去阀芯自重和运动时的摩擦阻力。
试确定: (1)当压强表读数为9.806X10^3Pa时,提升阀芯所需的初始力F;
(2)F=0时箱中空气的计示压强pe等于多少?

第4题
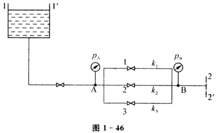
如图1-46所示,现将支路1上的阀门k1,关小,则下列流动参数将如何变化?(1)总管流量qv__________、支管1、2、3的流量qv1_________、qv2________、qv3_________;(2)压力表读数声pA_______、pB_________。(变小,不变,变大,不确定)

第7题
图4-27所示为插装式锥阀组成换向阀的两个例子。如果阀关闭时A、B有压差,试判断电磁铁通电和断电时,图4-27a和图4-27b的压力油能否开启锥阀而流动,并分析各自是作何种换向阀使用的。

第8题
圆柱形滑阀如图1-56所示,已知阀心直径d=20mm,进口压力p1=9.8MPa,出口压力p2=0.9MPa,油的密度ρ=900kg/m3,阀口的流量系数Cd=0.65,阀口开度x=2mm,试求通讨阀口的流量。

第9题
如图4-1所示圆柱形阀心,D=20mm,d=10mm,阀口开度x=2mm。压力油在阀口处的压力降为△p1=0.3MPa,在阀腔a点到b点的压力降△p2=0.03MPa,油的密度ρ=900kg/m3,通过阀口时的角度ψ=69°,流量系数Cd=0.65,试求油液对阀心的作用力。

第10题
管道泄水针阀全开,位置如图(a)所示。已知管道直径d1=35cm,出口水股直径d2=15cm,流速v2=30m/s,测得针阀拉杆受力F=0.49kN,若不计水头损失,求连接管道出口段的螺栓群所受的水平总作用力。

第11题
如图4-19所示回路,顺序阀和溢流阀串联,调整压力分别为px和pY,当系统外负载为无穷大时,试问:

1) 液压泵的出口压力为多少?
2) 若把两阀的位置互换,液压泵的出口压力又为多少?
警告:系统检测到您的账号存在安全风险
为了保护您的账号安全,请在“赏学吧”公众号进行验证,点击“官网服务”-“账号验证”后输入验证码“”完成验证,验证成功后方可继续查看答案!