一级注册建筑师考试是从事建筑设计及相关业务活动的专业技术人员参考的一个难度很大的考试,建筑师需要兼备艺术家的审美眼光和工程师的力学知识,还需要具体不错的沟通能力。考试的内容包括场地设计、建筑方案设计、建筑技术设计,经济、施工与设计管理、设计前期与场地设计、建筑材料与构造等等。上学吧一级注册建筑师考试题库汇集了不少试题,为您学习刷题提供支持,现在就点击安装APP刷题。以下为试卷的详细内容:
一、单项选择题(每题1分。每题的备选项中,只有1个最符合题意)参考答案见试卷末尾
1、维特卢威提出的建筑三原则是()。
A.坚固、实用、美观
B.适用、经济、美观
C.材料、结构、建造
D.比例、尺度、柱式
2、关于意大利威尼斯圣马可广场的说法,错误的是()。
A.广场呈L形,朝向大海以两个石柱限定空间
B.钟楼位于转角处,俯瞰整个广场
C.总督府与圣马克教堂正对轴线布置
D.总督府以拱券为母题
3、北京天安门城楼、故宫太和殿,故宫乾清宫的星项形式分别是()。
A.歇山顶,庑殿顶,攒尖项
B.歇山顶,庑殿顶,庑殿顶
C.硬山顶,庑殿顶,攒尖项
D.歇山顶,庑殿项,悬山顶
4、设计师用透视手法表现的是()。
A.罗马坎皮多里奥广场
B.罗马纳沃纳广场
C.巴黎协和广场
D.罗马人民广场
5、下图表现的是()。
A.柯布西耶多米诺体系
B.风格派的时空构成
C.包豪斯的时空构成
D.柯布西耶的雪铁龙住宅
6、关于赖特的罗伯茨住宅,说法错误的是()。
A.草原风格
B.以壁炉为中心
C.采用一字形平面
D.屋檐出挑深远
7、下列采用螺旋观展流线的美术馆是()。
A.巴黎卢浮宫博物馆
B.纽约古根海姆博物馆
C.斯图加特博物馆新馆
D.中国国家博物馆
8、勒?柯布西耶设计的法国马赛公寓在住宅形式上属于()。
A.内廊式住宅
B.外廊式住宅
C.内廊跃层式住宅
D.外廊跃层式住宅
9、建筑空间组织形式上采用序列式的建筑类型是()。
A.宿舍楼
B.办公楼
C.教学楼
D.航站楼
10、以下关于美术教室设计的描述,错误的是()。
A.美术教室应附设教具储藏室
B.美术教室应有良好的北向天然采光
C.墙面和顶面用黑色
D.美术教室内应配置挂镜线
11、下列所示突出体现建筑体型适应气候环境特点的设计作品是()。
A.日本东京中银仓体大楼
B.日本神户六甲集合住宅
C.印度孟买干城章嘉公寓
D.加拿大蒙特利尔Habitat67
12、卫生间的布置满足干湿分离及高峰期使用方便的是()。
A.A
B.B
C.C
D.D
13、关于混合结构的公共建筑设计的说法,错误的是()。
A.承重墙的布置应当均匀,应符合规范
B.围护结构门洞大小应有一定的限制
C.楼层上下承重墙应尽量对齐,避免大空间压到小空间上
D.墙体的高度和厚度应在合理允许范围之内
14、为减少对城市的干扰,城市中心商业综合体建筑的停车设计不宜采用()。
A.地下停车库
B.路边停车场
C.屋面停车场
D.多层停车库
15、提高住宅适应性和可变性是为了解决()。
A.收入水准的提高与住宅性能变化的矛盾
B.家庭人口增长与住宅面积固定的矛盾
C.结构寿命过长与功能需求变化的矛盾
D.住宅政策变化与住宅性能要求的矛盾
16、关于老年人住宅设计的说法,错误的是()。
A.应远离普通住宅居住区独立设置
B.应与所提供的养老服务和运行模式相适应
C.应布置在日照通风条件较好的地段
D.应具备灵活性和可变性
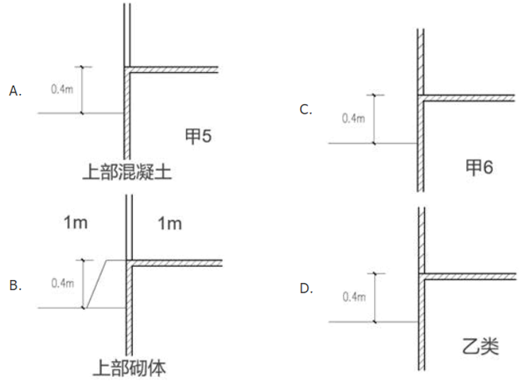
17、以下哪个图片是巴塞罗那椅?()
A.A
B.B
C.C
D.D
18、下列所示灯具中,属于半间接照明的是()。
A.A
B.B
C.C
D.D
19、蓝色的作用为()。
A.活跃、强烈
B.冷静、深邃
C.温暖、明快
D.稳重、舒适
20、施工图阶段,建筑专业需要提供的设计文件包含()。
A.封皮、图纸目录、设计图纸、计算书、预算图纸
B.图纸目录、设计图纸、计算书、预算图纸
C.图纸目录、设计说明、设计图纸、计算书
D.封皮、图纸目录、计算书、预算图纸
21、湿热环境下适合的民居形式是()。
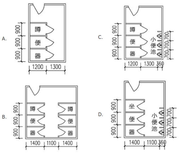
A.A
B.B
C.C
D.D
22、关于视觉障碍者考虑的设计做法,错误的是()。
A.设置连续引导作用的装饰材料
B.设置发声标志
C.楼梯踏步采用光滑的材料
D.盲文铭牌可用于无障碍电梯的低位横向按钮
23、形成城市热岛效应的因素不包括()。
A.城市生活中居民车辆产生的废气
B.城市建设的硬质地面对城市受热下垫层的影响
C.城区密集的建筑群、纵横的道路桥梁构成较为粗糙的城市下垫层
D.人工湖、人工河道等水利设施的兴建
24、“低碳”的概念是()。
A.减少对煤炭的使用,减少二氧化碳的浓度
B.降低室内二氧化碳的浓度,提高空气质量
C.减少二氧化碳的排放,降低温室效应
D.减少含碳材料的使用
25、下列哪项不是可再生能源?()
A.地热
B.燃油
C.潮汐能
D.生物质能
26、下列材料全部属于“绿色建材”的是()。
A.玻璃,钢材,石材
B.钢材,黏土砖,生土
C.钢材,木材,生土
D.木材,混凝土,石材
27、图示古代建筑形式为()。
A.抬梁式
B.井干式
C.穿斗式
D.干阑式
28、中国古代木构建筑外檐柱及角柱在前,后檐及两山处向内倾斜的做法称为()。
A.生起
B.侧脚
C.举折
D.推山
29、以下哪项不是楼阁式塔?()
A.应县佛宫寺塔
B.虎丘云岩寺塔
C.泉州开元寺塔
D.登封嵩岳寺塔
30、斗拱从左到右分别是哪个时期的?()
A.唐、宋、明
B.明、清、宋
C.宋、清、唐
D.宋、明、清
31、以下框出来的是明清北京城中哪个区域的边界?()
A.皇城
B.内城
C.宫城
D.子城
32、关于雅典卫城,说法正确的是()。
A.雅典卫城位于孤立的山岗上,各神殿采用对称的方式进行布局
B.雅典卫城中,胜利神庙位于最高处,采用多立克和爱奥尼式柱
C.帕提农神庙是雅典卫城中唯一一座用了围廊式的庙宇
D.伊瑞克提翁神庙采用中轴对称式格局,并采用女郎柱廊
33、关于古罗马柱式的说法,错误的是()。
A.券柱式中柱在建筑立面中仅作为承重墙外的装饰存在
B.叠柱式在多层建筑各层采用相同柱式,统一了立面构图
C.连续券将券脚直接落于柱式之上,其间用一小段檐部相连
D.巨柱式在建筑构图上突破了水平划分的限制但尺度失调
34、哥特式教堂采用双圆心尖券构造是为了()。
A.减小侧推力
B.方便施工
C.增加结构重量
D.增加建筑整体高度
35、下图采用帕拉迪奥母题的是()。
A.威尼斯圣马可图书馆
B.维琴察圆厅别墅
C.维琴察巴西利卡
D.罗马坦比哀多
36、下列关于巴洛克建筑的特征,描述正确的是()。
A.追求自然朴素的美学趣味
B.建筑形体与空间逻辑严谨
C.建筑构图严格遵循古典规则
D.在装饰中增加了自然题材
37、19世纪空想社会主义者欧文,提出的城市规划模型是()。
A.新协和村
B.田园城市
C.广亩城市
D.阳光城市
38、图示建筑属于哪个近代建筑运动思潮?()
A.新艺术运动
B.新装饰艺术运动
C.艺术与工艺运动
D.有机建筑运动
39、下图是现代建筑流派代表作中的哪一种?()
A.风格主义
B.构成主义
C.未来主义
D.表现主义
40、关于现代主义建筑思想的说法,正确的是()。
A.重使用方便和效率轻形式构图
B.重材料与结构性能轻经济成本
C.重风格创新轻传统样式
D.重建筑空间轻建筑形体
41、柯布西耶的新建筑五个特点是()。
A.底层架空,屋顶花园,自由平面,横向长窗,自由立面
B.底层架空,屋顶花园,横向长窗,自由平面,流动空间
C.框架结构,屋顶花园,自由平面,横向长窗,自由立面
D.框架结构,屋顶花园,自由平面,横向长窗,自由立面
42、下列不属于粗野主义的是()。
A.A
B.B
C.C
D.D
43、不是阿尔瓦阿尔托作品的是()。
A.巴黎大学瑞士学生宿舍
B.帕米欧肺病疗养院
C.维堡市立图书馆
D.玛丽亚别墅
44、广州中山纪念堂的设计者是()。
A.吕彦直
B.林克明
C.董大酉
D.徐敬直
45、下列属于近代中国传统复兴建筑混合式的是()。
A.南京中山陵藏经
B.上海图书馆
C.南京国民政府外交部办公楼
D.上海市政府大厦
46、下图所示建筑中,属于折衷主义风格的是()。
A.A
B.B
C.C
D.D
47、下图所示我国西南地区民居,其建筑结构形式从左至右分别是()。
A.穿斗式、干阑式、井干式
B.干阑式、穿斗式、井干式
C.井干式、干阑式、穿斗式
D.井干式、穿斗式、干阑式
48、关于窑洞的说法,错误的是()。
A.窑洞的前身是原始社会穴居中的横穴
B.窑洞分靠崖窑、下沉窑院及锢窑等类型
C.窑口处安排日常起居,尽端处安排炉灶和火坑
D.窑洞具有冬暖夏凉、防火隔声等优点
49、下图属于土楼的是()。
A.A
B.B
C.C
D.D
50、下列选项中,经典的风景式园林是()。
A.法国枫丹白露宫
B.法国特立雅索宫
C.英国皇家园林
D.法国谢农索城堡花园
51、现存圆明园西洋建筑残迹原属于哪座清代皇家园林?()
A.畅春园
B.长春园
C.绮春园
D.万春园
52、下图所示的明清私家园林从左到右依次是()。
A.留园、拙政园、寄畅园
B.留园、寄畅园、拙政园
C.拙政园、留园、寄畅园
D.拙政园、寄畅园、留园
53、佛教四大名山是()。
A.五台山、峨眉山、九华山、普陀山
B.五台山、青城山、九华山、雁荡山
C.五台山、峨眉山、九华山、雁荡山
D.五台山、青城山、龙虎山、普陀山
54、下列属于历史文化遗产的属性是()。
A.可持续发展
B.不可利用
C.可循环利用
D.不可再生
55、1933年拟定《雅典宪章》的国际组织是()。
A.联合国教科文组织(UNESCO)
B.国际古迹遗址理事会(ICOMOS)
C.国际现代建筑协会(CIAM)
D.国际建筑师协会(UIA)
56、历史文化遗产保护的三个层次是()。
A.历史文化名城,历史文化街区,文物保护单位
B.历史文化名城,历史文化街区,文物建筑
C.历史文化街区,历史建筑,文物建筑
D.历史文化街区,历史建筑,世界文化遗产
57、下列哪部古籍的出现,标志着中国古代城市规划思想开始形成?()
A.梦溪笔谈
B.营造法式
C.园冶
D.周礼考工记
58、西宁新市区2030年战略规划图的空间结构模式是()。
A.网格
B.指状
C.带状
D.组团
59、针对大城市过度膨胀所带来的弊病,提出有机疏散理论的是()。
A.霍华德
B.赖特
C.柯布西耶
D.伊利尔沙里宁
60、城市规划应努力创造一个综合的、多功能的生活环境,不要过分追求功能分区,这一主张出自()。
A.雅典宪章
B.马丘比丘宪章
C.威尼斯宪章
D.华盛顿宪章
61、下图所示是中国古代哪个城市?()
A.秦咸阳
B.汉长安
C.曹魏邺城
D.隋大兴
62、西方古代城市中,哪个是希腊雅典卫城的平面?()
A.A
B.B
C.C
D.D
63、社区公共服务设施中,属于社会福利类设施的是()。
A.公共卫生服务中心
B.公共活动场地
C.幼儿园
D.养老院
64、关于居住区儿童游戏场地规划设计的说法,正确的是()。
A.场地越大越好,便于儿童集中活动
B.必须紧邻住宅布置
C.宜结合住区内的公共使用绿地布置
D.宜紧邻停车场布置
65、哪种情况居住区既有建筑可酌情降低日照标准?()
A.在原建筑外增设设备设施
B.在原建筑外增加装修设施
C.在原建筑外增设安全设施
D.无障碍改造加装电梯
66、居住区规划中,能计入公共绿地的是()。
A.宅旁绿地
B.道路绿地
C.满足日照要求的游憩绿地
D.公共配套设施绿地
67、下图对应的城市是()。
A.巴西利亚
B.昌迪加尔
C.巴塞罗那
D.威尼斯
68、下图所示视觉秩序分析出自哪位城市设计师的研究?()
A.凯文?林奇
B.卡米洛?西特
C.弗雷德里克?吉伯德
D.戈登?卡伦
69、哪个不是乔纳森巴奈特在《作为公共政策的城市设计》中提出的观点?()
A.日常决策过程才是城市设计真正的媒介
B.设计城市而不是设计建筑物
C.城市设计是为了实现理想蓝图
D.主要注重城市开发的连续性
70、研究城市空间和场所意向所采用的分析方法是()。
A.认知地图分析
B.视线视域分析
C.图形-背景分析
D.序列视景分析
71、芦原义信在《外部空间设计》一书中,主要提出了哪组外部空间概念?()
A.积极空间和消极空间
B.公共空间和开放空间
C.私密空间和灰色空间
D.开放空间和场所空间
72、城市抗震防灾规划中属于中心避难场所的是()。
A.城市防灾公园
B.临时避难绿地
C.紧急避难绿地
D.隔离缓冲绿带
73、不能从源头截留、渗透和利用雨水径流的景观营造做法是()。
A.植草浅沟
B.雨水花园
C.下凹绿地
D.广场喷泉
74、景观设计中,关于绿道的说法,错误的是()。
A.沿山脊自然走廊建立的线性开敞空间
B.沿铁路人工走廊建立的线性开敞空间
C.线路局部连通,网状
D.郊区绿道以步道为主,自行车道为辅
75、提出景观建筑师概念的奥姆斯特德的设计代表作品是()。
A.伦敦海德公园
B.巴塞罗那奎尔公园
C.纽约中央公园
D.名古屋久屋大通公园
76、如图所示南京雨花台烈士纪念馆的景观空间序列组织方式是()。
A.闭合式
B.串联式
C.并联式
D.放射式
77、下列建筑,均无开敞式外廊或室外平台,可不设避难间(层)的是()。
A.建筑面积4000m2的四层老年人照料设施
B.高度90m的住宅
C.高度35m的病房楼
D.高度105m的写字楼
78、材料题:如图所示,单层剧场耐火等级一级,设有两个防火分区,一个是观众,门厅,一个是舞台和后勤。依条件解答78~80题。
首层独立剧场,剧场观众厅1000座,地面为平坡,计算疏散门总净宽最小值为()。
A.5.0m
B.6.5m
C.7.5m
D.10m
79、设有自动喷淋,如果观众厅内最远点至疏散门距离是28m,那么疏散门至安全出口的距离最大值为()。
A.10m
B.12.5m
C.22m
D.27.5m
80、舞台与后台区的隔墙上有洞口A、B,处理方式采用()。
A.无需处理
B.乙级防火门
C.甲级防火门
D.防火卷帘
81、住宅高度27m,构造层依次为(外到内)装饰层、防护层、保温层、基层。下列说法错误的是()。
A.保温层用B2级
B.保温层用B1级时,可不设置防火隔离带
C.防护层用A级
D.装饰层B1级
82、某多层建筑局部剖面如下,图中防护构件的防火极限设置正确的是()。
A.A
B.B
C.C
D.D
83、图书馆的基本书库与毗邻房间的隔墙耐火极限不应低于()。
A.1.5h
B.2.0h
C.2.5h
D.3.0h
84、关于人民防空地下室密闭通道的说法,错误的是()。
A.是有密闭功能的两个门之间仅依靠密闭隔绝作用阻挡毒剂侵入室内的通道
B.在室外染毒情况下,密闭通道可供人员出入
C.密闭通道属于染毒区
D.密闭通道用于甲类六级二等人员掩蔽所次要出入口
85、关于人防顶板高出室外地面的说法,错误的是()。
A.A
B.B
C.C
D.D
86、人防中心医院第一主要出入口的门洞净宽最小尺寸,哪个正确?()
A.1.0m
B.1.2m
C.1.3m
D.1.5m
87、关于防空地下室的说法,错误的是()。
A.防水等级不低于二级
B.上部建筑范围内的防空地下室顶板应采用防水混凝土
C.防毒、密闭通道的地面应平整光洁
D.顶板内表面应采用水泥砂浆抹灰
88、根据现行《民用建筑工程室内环境污染控制标准》(GB50325—2020),属于Ⅱ类民用建筑的是()。
A.图书馆
B.医院病房楼
C.幼儿园
D.住宅
89、新建、扩建的民用建筑工程,设计前应对建设工程项目所在地区域土壤中下列哪种物质的浓度进行调查和检测?()
A.氨
B.钾
C.镭
D.氡
90、对增强楼板撞击隔声效果最小的是()。
A.增加钢筋混凝土楼板厚度
B.采用浮筑楼板
C.采用隔声吊顶
D.楼面面层做弹性材料
91、关于城市公共厕所设计,正确的是()。
A.化粪池距离地下取水口大于30m
B.可利用再生水作为冲厕与洗手台用水
C.洗手台边宜设拖布清洗池
D.公厕地面采用透水防滑材料
92、建筑基地内地下车库出入口与基地内道路间缓冲段设置正确的是()。
A.出入口缓冲段与基地内道路连接处的转弯半径4m
B.当出入口与基地道路平行时,设6m长的缓冲段再汇入基地道路
C.当出入口与基地道路垂直时,缓冲段长度4m
D.当出入口直接连接基地外城市道路时,其缓冲段长度6m
93、住宅与道路的间距错误的是()。
A.住宅无出入口与城市道路间距3m
B.住宅无出入口与附属道路间距2m
C.住宅有出入口面向城市道路3.5m
D.住宅有出入口面向附属道路2.5m
94、某中学教学楼内外廊有高差,哪一种高差处理方式是错误的?()。
A.两级台阶
B.三级台阶
C.1∶8坡道
D.1∶12坡道
95、下列措施中,对减小建筑物体形系数有利的是()。
A.平面增加凹凸变化
B.减小建筑物体积
C.增加建筑进深尺寸
D.建筑采用南北向布置
96、下列关于绿色建筑装饰性构件的说法,错误的是()。
A.具有遮阳功能的外窗挑板不属于纯装饰性构件
B.上人屋面高度超过2.4m的女儿墙属于装饰性构件
C.住宅建筑的装饰性构件造价占建筑总造价的比例不应大于2%
D.公共建筑的装饰性构件造价占建筑总造价的比例不应大于3%
97、根据《绿色建筑评价标准》(GB/T50378—2019),以下哪项不是一星级评定的基本要求?()
A.室内全装修
B.建筑热工性能提高5%或空调负荷降低5%
C.室内污染物比国家现行标准降低10%
D.门窗气密性比节能设计标准提高一级
98、以下构件中,哪一个不属于装配式围护墙和内隔墙?()
A.保温装饰一体化外墙
B.蒸压加气混凝土砌块墙
C.单元式玻璃幕墙
D.轻钢龙骨石膏板内隔墙
99、关于无障碍设计的说法,正确的是()。
A.新建项目出口场地有限时,可采用升降平台
B.无障碍客房应设置为听力障碍者服务的闪光提示门铃
C.无障碍机动车停车位包括残疾人助力车专用车位
D.无障碍机械车停车位地面坡度不应大于3%
100、关于门的无障碍设计说法,错误的是()。
A.不应采用推拉门,折叠门
B.自动门开启后通行净宽度不应小于1.0m
C.平开门的通行净宽度不应小于0.8m
D.门扇内外应有直径不小于1.5m的轮椅回转空间
101、下列无障碍出入口轮椅坡道做法错误的是()。
A.在坡道的起点和终点设置长度1.2m的缓冲地带
B.坡道的中间休息平台长度1.5m
C.坡道的浄宽1.2m
D.室内外高差0.45m采用1∶10的坡道
102、我国建筑方针是()。
A.节地、节能、节水、节材和保护环境
B.适用、经济、安全、卫生和环境保护
C.适用、经济、绿色、美观
D.适用、经济、在可能条件下美观
103、以下厕所尺寸不符合《民用建筑设计统一标准》的是()。
A.A
B.B
C.C
D.D
104、老年人居住建筑卫生间与走廊的过渡正确的是()。
A.A
B.B
C.C
D.D
105、根据《建筑采光设计标准》(GB50033—2013),下列房间中,对侧面天然采光照度要求最高的是()。
A.住宅建筑卧室、起居室(厅)
B.教育建筑的普通教室
C.医疗建筑的一般病房
D.图书馆建筑的目录室
106、某18m住宅楼电梯间的说法,错误的是()。
A.户门净宽1m
B.侯梯厅深1.5m且不小于轿厢深度
C.梯段净宽1.10m
D.休息平台宽度1.10m
107、下列门洞口设计尺寸不符合规范的是()。
A.A
B.B
C.C
D.D
108、住宅的自然排烟道和排风道伸出平屋面的高度,不应小于()。
A.0.3m
B.0.4m
C.0.5m
D.0.6m
109、日照分析中,住宅建筑日照标准日(大寒日、冬至日)选择的主要因素为()。
A.建筑所在地区的气候区划和城市(人口)规模
B.建筑所在地区的气候区划和地理纬度
C.建筑所在地区的气候区划和居住用地的建筑密度
D.建筑所在地区的气候区划和居住用地的开发强度
110、下列关于教室的说法,哪个是错误的?()
A.前排边座座椅与黑板远端水平视角为30°
B.教室最后排课桌后沿至教室后墙面距离为1.1m
C.教室前端侧窗的长度为1.0m
D.窗间墙宽度为1.5m
参考答案:
【一、单项选择题】
1~5 ACBAA 6~10 CBCDC
11~110点击安装“注册建筑师题库APP”查看答案
如果这样刷题不过瘾,请立即安装APP刷题,历年真题、高质量模拟题应有尽有。