题目

更多“如图所示零件,对该零件进行切断加工,试编制该程序。”相关的问题
第1题
数控车削加工如图所示零件外圆面,试编制其加工程序。
提示:加工该零件外圆面时,刀具轨迹如下图所示。

第5题
为

试对该车床加工该种零件长度值的数学期望进行区间估计(置信概率0.95)。
第7题
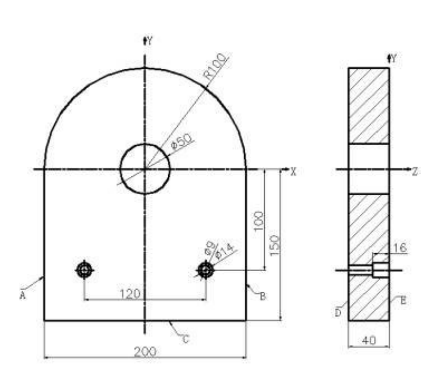
试拟订下图所示零件的机械加工工艺路线(包括工序名称、加工方法、定位基准),已知该零件毛坯为铸件(孔未铸出),成批生产。

警告:系统检测到您的账号存在安全风险
为了保护您的账号安全,请在“赏学吧”公众号进行验证,点击“官网服务”-“账号验证”后输入验证码“”完成验证,验证成功后方可继续查看答案!