质量员考试是参与制定质量管理文件、管理产品质量的人员需要参加的考试,考试科目为《质量员专业基础知识》和《质量员专业管理实务》两门,题型包括单选题,多选题和判断题。上学吧质量员考试题库是一家专门为质量员考试提供刷题服务的题库,只要大家认真刷题学习,通过考试不难,现在就点击安装APP刷题。以下为试卷的详细内容:
一、单项选择题参考答案见试卷末尾
1、系统原理图(流程图)是综合性的示意图,图中可以了解系统的( ),介质的运行方向,同时也可以对设备的编号、建(构)筑物的名称及整个系统的仪表控制点(温度、压力、流量及分析的测点)有一个全面的了解。
A.工作方向
B.工作压力
C.工作原理
D.设备布置
2、我国水准仪系列标准的等级中,广泛用于一般水准测量的是( )。
A.DS05
B.DS1
C.DS3
D.DS10
3、摄像机、探测器、出人口识读设备、电子巡查信息识读器等设备抽检的数量不应低于(),且不应少于3台,数量少于3台时应全部检测:
A.10%
B.20%
C.30%
D.100%
4、下列管道中,不宜用于饮用水输送的管道是( )。
A.聚丁烯(PB)管
B.聚乙烯(PE)管
C.硬质聚氯乙烯( UPVC)簪
D.三型聚丙烯(PP-R)管
5、有关从业人员在安全生产活动中的义务包括( )。
A.掌握本岗位工作所需的安全生产知识
B.制定安全生产事故的处理程序
C.绝对服从作业指挥
D.发现事故隐患立即向新闻媒体披露
6、研究某分项工程管道焊口的质量,该分项工程的全部焊口在抽样时称为( )。
A.抽样的总体
B.抽样的个体
C.抽样的样本
D.抽样的统计量
7、在宽度小于3m的内走道顶棚上设置探测器时,宜( )布置。
A.靠左
B.靠右
C.居中
D.分散
8、施工项目质量管理的事中控制是指对施工过程中进行的所有与施工有关方面的质量控制,也包括在施工过程中通过巡视、旁站等措施检查各道()。
A.材料
B.施工成品
C.工序质量
D.中间产品
9、电动机空载状态下可启动次数及间隔时间应符合产品技术条件的要求;无要求时,连续启动2次的时间间隔不应小于()min,再次启动应在电动机冷却至常温下再进行。
A.2
B.5
C.8
D.10
10、某设备上真空表的读数为13.3×10^3 Pa,已知该地区大气压强为98.7 X 10^3 Pa。设备内的绝对压强为( )。
A.85.4×10^3 Pa
B.-85.4×10^3Pa
C.13.3×10^3Pa
D.-13.3×10^3Pa
11、流体的基本特征是没有一定的形状,具有( )。
A.不稳定性
B.可燃性
C.可塑性
D.流动性
12、下列属于恒定流的是( )。
A.压强不变的流体的流动
B.压强、流速不变的流体的流动
C.压强、流速、密度等运动要素均不变的流体的流动
D.可压缩流体的流动
13、杆件的应力与杆件的( )有关。
A.内力
B.截面
C.材料
D.杆长
14、利用专门设计的统计表对质量数据进行收集、整理和粗略分析质量状态的一种方法,称为( )。
A.分层法
B.统计调查表法
C.排列图法
D.因果分析图法
15、设备标高基准点从建筑物的标高基准点引入到其他设备的基准点时,应一次完成。对一些大型、重型设备,应( )。
A.多布置一些基准点
B.少布置一些基准点
C.只布置一个基准点
D.杜绝使用永久基准点
16、由专业承包单位施工的分部(分项)工程或专项工程的施工方案,应由专业承包单位技术负责人或技术负责人授权的技术人员()。
A.编写
B.审核
C.审批
D.审查
17、根据《建筑电气工程施工质量验收规范》GB50303-2015规定,柜、台、箱的金属框架及基础型钢应与保护导体可靠连接;装有电器的可开启门,门和金属框架的接地端子间应选用截面积不小于()mm2黄绿色绝缘铜芯软导线连接,且有标识。
A.1.5
B.2.5
C.4
D.6
18、冷、热水管道同时安装,上、下平行安装时热水管应在冷水管(),垂直平行安装时热水管应在冷水管左侧。
A.上方
B.下方
C.前方
D.后方
19、刚性导管经柔性导管与电气设备、器具连接,柔性导管的长度在动力工程中不宜大于()m,在照明工程中不宜大于()m。
A.0.50.8
B.0.81.2
C.1.21.5
D.1.51.8
20、综合布线管理软件功能()检测。
A.全部
B.抽样
C.随机
D.不用
21、铝芯电线,由于其重量轻,通常用于( )。
A.家庭和办公室照明
B.需柔性连接的可动部位
C.电焊机至焊钳的连线
D.架空线路
22、关于平面控制测量,以下说法错误的是( )。
A.三角测量的网(锁),各等级的首级控制网,宜布设为等边三角形的网(锁),其三角形的内角不应小于30度
B.导线测量法的网,当导线平均边长较短时,应控制导线边数。导线宜布设成直伸形状,相邻边长不宜相差过大
C.当导线网用作首级控制时,应布设成环形状,网内不同环节上的点不宜相距过近
D.使用三边测量法时,各等级三边网的起始边至最远边之间的三角形个数不宜多于10个
23、排水栓和地漏的安装应平整、牢固,低于排水表面,周边无渗漏。地漏水封高度不得小于()mm。
A.30
B.60
C.50
D.40
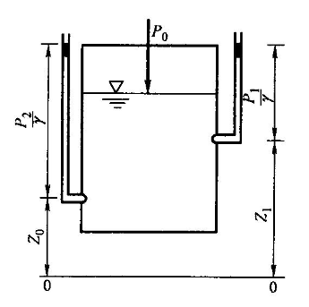
24、如图所示,两个测压管液面( )。
A.相同
B.不相同
C.左侧高于右侧液面
D.左侧低于右侧液面
25、检验混凝土质量时,由于个体较多,将10000个个体按不同批次分为100个群,每个群内100件样品,从中随机抽取10个群,在这10个群中的1000个个体随机抽取100个个体,此次抽样方泫为( )。
A.整群抽样
B.简单随机抽样
C.分层随机抽样
D.多阶段抽样
26、下列因素中,属于变压器油的作用是( )。
A.变压器冷却
B.变压器消弧
C.变压器润滑
D.变压器填补
27、分项工程应由()组织施工单位项目专业技术负责人等进行验收。
A.专业监理工程师
B.质量检查员
C.项目经理
D.总监理工程师
28、初步设计文件,符合规划、环境等要求,设计规范等属于设计交底中的()。
A.施工注意事项
B.设计意图
C.施工图设计依据
D.自然条件
29、当水平悬吊的主、干风管长度超过()m时,应设置防止摆动的固定点,每个系统不应少于1个。
A.1.O
B.1.2
C.1.5
D.2.0
30、流体的热胀性是指当空气的压强倮持不变时,空气的体积随着温度的升高而( )。
A.减小
B.增大
C.先减小后增大
D.先增大后减小
31、平面控制网的坐标系统,应满足测区内投影长度变形值不大于( )cm/km。
A.3.5
B.2.5
C.1.5
D.0.5
32、室外给水管道在竣工后,必须对管道进行(),饮用水管道还要在冲洗后进行消毒,满足饮用水卫生要求。
A.试压
B.冲洗
C.通水
D.调试
33、检验批的质量应按主控项目和()验收。
A.保证项目
B.一般项目
C.基本项目
D.允许偏差项目
34、单向晶体管内部有( )个PN结。
A.两
B.三
C.四
D.多于四
35、建筑电气工程中,图例
表达的含义是( )。
A.动力或动力一照明配电箱
B.电流互感器
C.接触器
D.熔断器式隔离开关
36、有一批灯泡共1000箱,每箱200个,现随机抽取20箱并检查这些箱中的全部灯泡,此种检验属于( )。
A.纯随机抽样
B.类型抽样
C.整群抽样
D.等距抽样
37、建筑电气动力工程的空载试运行和建筑电气照明工程的负荷试运行,应按本规范规定执行;建筑电气动力工程的负荷试运行,依据电气设备及相关建筑设备的种类、特性,编制试运行方案或作业指导书,并应经施工单位审查批准,试运行方案应经() 确认后执行。
A.建设单位
B.监理单位
C.设计单位
D.施工单位
38、把甲、乙两盏灯按一定方式连接到电源上,用电流表分别测出通过甲、乙两灯的电流为0. 32A和0.24A,则甲、乙两灯( )。
A.一定是串联
B.一定是并联
C.能是串联也可能是并联
D.连接方式无法确定
39、关于力、力偶、力矩、力偶矩,下列的表述中不正确的是( )。
A.力矩与力偶矩的量纲相同
B.力不能平衡力偶
C.一个力不能平衡一个力偶
D.力偶对任一点之矩等于其力偶矩,力偶中两个力对任一轴的投影代数和等于零
40、有线电视系统由接收信号源、( )、干线传输系统、用户分配网络及用户终端等几部分构成。
A.电视机
B.信号器
C.音源设备
D.前端设备
41、建筑通风空调工程中,图例
表达的含义是()。
A.矩形三通
B.百叶窗
C.空气过滤器
D.方形散流器
42、施工单位的工程质量验收记录应由()填写,质量检查员必须在现场检查和资料核查的基础上填写验收记录,应签字和加盖岗位证章,对验收文件资料负责,并负责工程验收资料的收集、整理。其他签字人员的资格应符合《建筑工程施工质量验收统一标准》GB50300的规定。
A.资料员
B.工程质量检查员
C.质量负责人
D.技术负责人
43、架空敷设的供热管道安装高度,如设计无规定时,在人行地区,不小于()m。
A.2.0
B.4.5
C.3.0
D.2.5
44、铜和铜合金管分为拉制管和挤制管,连接方式一般有扩口、压紧和( )。
A.热熔
B.承插
C.粘接
D.钎焊
45、工程事故发生后,首先应查明原因、落实措施、妥善处理、消除隐患、界定责任,其中,最核心、最关键的是()。
A.查明原因
B.妥善处理
C.消除隐患
D.界定责任
46、埋人土壤中的热浸镀锌钢材应检测其镀锌层厚度不应小于()弘m。
A.12
B.38
C.48
D.63
47、镀锌钢管应为内外壁热镀锌钢管,钢管内外表面的镀锌层不得有脱落、锈蚀等现象;钢管的内、外径应符合现行国家标准《低压流体输送用焊接钢管》()或现行国家标准《输送流体用无缝钢管》GB/T8163的规定。
A.GB/T3091
B.GB/T13793
C.GB/T13663
D.GB/T1527
48、当总体单位不很多且各单位间差异较小时宜采用( )。
A.类型抽样
B.纯随机抽样
C.整群抽样
D.两阶段抽样
49、强度条件计算式
中,
表示( )。
A.许用应力
B.最大应力
C.极限应力
D.屈服应力
50、生活给水系统的主要特点是( )、用水有规律性。
A.用水量大
B.用水量小
C.用水量均匀
D.用水量不均匀
51、管道小于或等于lOOmm的镀锌钢管应采用()连接,破坏的镀锌层表面应作防腐处理。
A.焊接
B.螺纹
C.法兰
D.抱箍
52、施工进度控制的总目标是( )。
A.合理工序
B.进度计划
C.计划调整
D.建设工期
53、( )是半集中式空调系统的末端装置,它由风机、盘管(换热器)以及电动机、空气过滤器、室温调节器和箱体组成。
A.涡旋式机组
B.螺杆式机组
C.风机盘管机组
D.活塞式机组
54、施工单位的工程质量验收记录应由()填写。
A.项目经理
B.质量员
C.资料员
D.技术负责人
55、( )就是受照物体表面单位面积投射的光通量,符号为E,单位为勒克斯(lx)。
A.亮度
B.照度
C.色温
D.光通量
56、王某发现吊装预制构件欲落,拒绝继续作业并迅速躲避。王某的行为是行使法律赋予的( )。
A.正当阱卫权
B.紧急避险权
C.拒绝权
D.知情权
57、当梁、通风管道、排管、桥架宽度大于()m时,自动喷水灭火系统增设的喷头应安装在其腹面以下部位。
A.1.0
B.1.2
C.1.5
D.2.0
58、保冷结构的组成,以下由内至外顺序正确的是( )。
A.防锈层、保冷层、防潮层、保护层、防腐蚀及识别层
B.防锈层、防潮层、保冷层、保护层、防腐蚀及识别层
C.保冷层、防潮层、防锈层、保护层、防腐蚀及识别层
D.防锈层、保冷层、保护层、防潮层、防腐蚀及识别层
59、如图所示为混凝土构件尺寸不合格点排列图,从图中可知,( )为主要因素,是重点解决和必须控制的对象。
A.A类
B.B类
C.C类
D.AB类
60、分项工程可由()检验批组成。
A.若干个
B.不少于十个
C.不少于三个
D.不少于五个
61、用人单位对从事有职业危害作业的劳动者应当( )。
A.定期进行健康检查
B.定期进行安全培训
C.定期进行安全检查
D.定期进行安全管理
62、风机盘管的调节方法主要有风量调节、水量调节和( )调节。
A.电量
B.制冷剂
C.旁通风门
D.冷却塔
63、根据《建设工程安全生产管理条例》和《职业健康安全管理体系》GB/T 28001标准,坚持( )的方针,建立并持续改进职业健康安全管理体系。
A.预防为主和安全第一
B.安全第一、预防为主和综合治理
C.安全第一、预防为主和防治结合
D.健康第一、预防为主和保障生产
64、某供暖系统试验压力为0.6MPa,相当于( )kPa。
A.0.6
B.60
C.600
D.6000
65、电气平面图,是用国家标准规定的图形符号和文字符号,按照电气设备的 ( )、部位路径绘制的一种电气平面布置和布线的简图,是进行电气施工安装的主要依据。
A.系统的基本组成
B.安装位置及电气线路的敷设方式
C.系统的相互关系
D.平面与空间的位置
66、地下室或地下构筑物外墙有管道穿过的,应采取防水措施。对有严格防水要求的建筑物,必须采用()。
A.刚性防水套管
B.柔性防水套管
C.过墙壁套管
D.金属套管
67、下列建筑材料中,不属于塑性材料的有( )。
A.低碳钢
B.合金钢
C.铸铁
D.铜
68、主要适用于大型施工项目、工期要求紧迫的施工项目以及要求多部门密切配合的施工项目的施工组织形式是( )。
A.工作队式项目组织
B.部门控制式项目组织
C.矩阵制项目组织
D.事业部制项曰组织
69、全数检验适用于有限总体,( )的检验方法。
A.破坏性
B.不破坏性
C.广泛性
D.生产过程性
70、建筑通风空调工程中,图例
表达的含义是( )。
A.压缩机
B.蒸发器
C.冷凝器
D.节流机构
二、多项选择题参考答案见试卷末尾
1、建设单位应当按照国家有关规定办理申请批准手续的项目有( )。
A.需要临时占用规划批准范围以钋场地的
B.可能损坏场地内道路的
C.需要临时停电的
D.需要进行爆破作业的
E.需要临时停水的
2、我国的水准仪系列标准,常用的等级有( )。
A.DS05
B.DS1
C.DS2
D.DS3
E.DS10
3、材料质量控制的内容主要有()等。
A.材料的质量标准
B.材料的性能
C.材料的取样、试验方法
D.材料的适用范围和施工要求
E.降低采购材料的成本
4、根据《电梯工程施工质量验收规范》GB50310-2002规定,电梯安装工程施工量控制应符合()。
A.电梯安装前应进行土建交接检验
B.电梯安装前应进行电梯设备进场验收
C.电梯安装的各分项工程应按国家标准进行质量控制
D.电梯安装的每个分项工程应有自检记录
E.施工计划的要求
5、下列( )是力偶定义的条件。
A.大小相等
B.在同一直线上
C.方向相反
D.作用线平行且不共线
E.作用线平行
6、()等单位工程项目负责人应对本单位工程文件资料形成的全过程负总责。建设过程中工程文件资料的形成、收集、整理和审核应符合有关规定,签字并加盖相应的资格印章。
A.建设
B.监理
C.勘察、设计
D.施工
E.材料供应
7、从业人员发现事故隐患,应当( );接到报告的人员应当及时予以处理。
A.立即向安监部门报告
B.立即向建设行政主管部门报告
C.立即向本单位负责人报告
D.立即向现场安全生产管理人员报告
E.立即向班组长报告
8、会议电视系统性能评价的检测宜包括()。
A.声音延时
B.声像同步
C.会议电视回声
D.图像清晰度和图像连续性
E.亮度
9、符合下列条件之一时,可按相关专业验收规范的规定适当调整抽样复验、试验数量,调整后的抽样复验、试验方案应由施工单位编制,并报监理单位审核确认。()
A.同一项目中由相同施工单位施工的多个单位工程,使用同一生产厂家的同品种、同规格、同批次的材料、构配件、设备
B.同一施工单位在现场加工的成品、半成品、构配件用于同一项目中的多个单位工程
C.在同一项目中,针对同一抽样对象已有检验成果可以重复利用
D.同一项目中,同一监理单位的监理的工程检验成果可重复利用
E.施工单位提出,监理单位认可的可重复利用的检测成果
10、公共广播系统检测时,应检测公共广播系统的(),检测结果符合设计要求的应判定为合格。
A.扬声器位置
B.声场不均匀度
C.漏出声衰减
D.系统设备信噪比
E.立体声
11、空调与采暖系统冷热源及管网节能工程的绝热管道、绝热材料进场时,应对绝热材料的()等技术性能参数进行复验,复验应为见证取样送检。
A.导热系数
B.容重
C.密度
D.厚度
E.吸水率
12、闭式喷头应进行密封性能试验,以无渗漏、无损伤为合格。试验数量宜从每批中抽查1%,但不得少于()只,试验压力应为3.OMPa;保压时间不得少于()min。当两只及两只以上不合格时,不得使用该批喷头。
A.1
B.2
C.3
D.5
E.10
13、按制造标准及设计要求现场应按批抽样检测导管的()。
A.管径
B.管长度
C.壁厚
D.均匀度
E.直线度
14、根据《建设工程安全生产管理条例》,施工单位的( )应当经建设行政主管部门或者其他有关部门考核合格后方可任职。
A.主要负责人
B.项目负责人
C.专职安全生产管理人员
D.技术负责人
E.施工班组长
15、参加单位工程质量竣工验收的单位为()等。
A.建设单位
B.施工单位
C.勘察、设计单位
D.监理单位
E.材料供应单位
16、敞口水箱的满水试验和密闭水箱(罐)的水压试验必须符合设计与本规范的规定。检验方法:满水试验静置()观察,不渗不漏;水压试验在试验压力下()压力不降,不渗不漏。
A.lOmin
B.24h
C.12h
D.15min
E.60min
17、供热锅炉及辅助设备安装,管道、设备和容器的保温,应在()和() 合格后进行。
A.防腐
B.清洗
C.调试
D.强度试验
E.水压试验
18、智能建筑工程施工现场质量管理检查记录应由施工单位填写,()作出检查结论。
A.施工单位质检员
B.施工单位技术负责人
C.项目监理机构总监理工程师
D.建设单位项目负责人
E.承担系统检测的检测人员
19、冷热水、冷却水系统的试验压力,当工作压力小于等于1.OMPa时,为1.5倍工作压力,但最低不小于();当工作压力大于1.OMPa时,为工作压力加()。
A.0.5MPa
B.1.5MPa
C.0.6MPa
D.1.OMPa
E.0.2MPa
20、控制电缆()合格,才能接线。
A.交接试验
B.相位核对
C.绝缘电阻测试
D.校线
E.现场抽样检测
21、检测时钟系统的使用可靠性时,符合()条件的应判定为合格。
A.母钟在正常使用条件下不停走
B.母钟在非正常使用条件下停走
C.子钟在正常使用条件下不停走
D.时间显示正常且清楚
E.显示时间
22、给水塑料管和复合管的连接可以采用下列连接形式:()。
A.橡胶圈接口
B.粘接接口
C.热熔连接
D.套丝连接
E.法兰连接
23、平面控制测量的目的是确认控制点的平面位置,并最终建立平面控制网,平面控制网建立的方法有( )。
A.三维测量法
B.三角测量法
C.导线测量法
D.中心测量法
E.三边测量法
24、根据《电梯工程施工质量验收规范》GB50310-2002规定,电力驱动的曳引式或强制式电梯进场时,电梯产品供应商应提供()的形式实验证书复印件。
A.门锁装置
B.限速器
C.安全钳
D.缓冲器
E.限位器
25、导线连接器和接线端子的()应满足设计要求。
A.额定电流
B.额定电压
C.连接容量
D.防护等级
E.额定电阻
26、除设计要求外,并联使用的电力电缆其()应相同。
A.型号
B.规格
C.厂家
D.电阻
E.长度
27、上供下回式系统的热水干管变径应()连接,蒸汽干管变径应()连接。
A.底平偏心
B.同心
C.底平异径
D.顶平偏心
E.顶平异径
28、智能建筑工程实施的质量控制应检查()。
A.图纸会审记录;存在设计变更和工程洽商时,还应检查设计变更记录和工程洽商记录
B.设备材料进场检验记录和设备开箱检验记录
C.试运行记录
D.分部工程质量验收记录
E.调试人员的资格证书
29、对开关、插座、接线盒及面板等绝缘材料的()有异议时,应按批抽样送有资质的试验室检测。
A.耐撞击性能
B.耐非正常热
C.耐燃
D.耐漏电起痕性能
E.节能性能
30、智能建筑工程接口测试文件应包括()等内容。
A.测试链路搭建
B.测试用仪器仪表
C.测试方法
D.测试内容和测试结果评判
E.监理工程师的审核意见
31、电缆敷设()。
A.应排列顺直
B.应排列整齐
C.宜少交叉
D.应按设计要求(设计无要求时,按规范要求)固定
E.固定牢固
32、时钟系统检测应以()功能为主,其他功能为辅。
A.接收
B.同步
C.校时
D.授时
E.准时
33、检验批可根据施工及质量控制和专业验收需要按()等进行划分。
A.楼层
B.施工段
C.变形缝
D.专业性质
E.施工程序
34、管道在穿过结构伸缩缝、防震缝及沉降缝时,管道系统应采取()措施。
A.在墙体两侧采取柔性连接
B.在管道或保温层外皮上、下部留有不小于150mm的净空
C.在穿墙处做成方形补偿器,水平安装
D.在穿墙处安装伸缩器
E.在管道或保温层外皮上、下部留有不小于200mm的净空
35、智能建筑工程设备材料进场检验记录应由施工单位填写,()作出检查结论。
A.施工单位质检员
B.监理单位监理工程师
C.施工单位专业技术负责人
D.建设单位项目专业工程师
E.承担系统检测的检测人员
36、平面控制测量的常用测量仪器有( )。
A.光学经纬仪
B.光学水准仪
C.全站仪
D.射线探伤仪
E.光谱分析仪
37、中、低压系统金属风管法兰的螺栓及铆钉孔的孔距不得大于();高压系统金属风管不得大于()。矩形金属风管法兰的四角部位应设有螺孑L。非金属风管法兰的螺栓孔的间距不得大于()。
A.80mm
B.lOOmm
C.120mm
D.150mm
E.180mm
38、防雷引下线与接地装置之间的连接方式为()。
A.螺栓连接
B.焊接
C.搭接
D.卡接器连接
E.机械连接
39、水平距离测量的方法很多,按所用测距工具的不同,测量距离的方法有一般有 ( )。
A.钢尺量距
B.水准测量
C.视距测量
D.光电测距
E.全站仪测距
40、样本的二重性是指( )。
A.具有数的属性
B.具有随机变量的属性
C.具有独立性
D.具有代表性
E.具有连续性
三、判断题参考答案见试卷末尾
1、流向某一节点的电流之和恒等于该节点流出的电流之和。( )
2、消防水泵接合器应安装在便于消防车接近的人行道或非机动车行驶地段,距室外.消火栓的距离宜为15~40m。()
3、通风与空调工程带生产负荷的综合效能试验与调整,应在已具备生产试运行的条件下进行,由建设单位负责,设计、施工单位配合。()
4、房屋建筑施工图是在技术设计的基础上,明确建筑的结构方案和构造设计,完成具体详尽的建筑、结构、设备以及电气等全部施工图纸。 ( )
5、检验批工程验收时,明显不合格的个体可不纳入检验批,但必须进行处理,使其满足有关专业验收规范的规定,对处理的情况应予以记录并重新验收。()
6、喷头安装应使用专用扳手,严禁利用喷头的框架施拧;喷头的框架、溅水盘产生变形或释放原件损伤时,应采用型号相同的喷头更换。()
7、公共广播系统检测时,应打开广播分区的全部广播扬声器,测量点宜均匀布置在广播扬声器附近。()
8、雨水管道不得与生活污水管道相连接。()
9、水准测量时,用十字丝中间的横丝读取水准尺的读数,每个读数必须有四位数,但如果末位数是零,可不读出。 ( )
10、工程资料员应负责工程质量验收记录的填写,同时负责工程文件资料、工程质量验收记录的收集、整理和归档工作。()
11、质量员应能够根据质量交底的要求和相关内容为工程质量交底提供相关资料。 ()
12、输送含有易燃、易爆气体或安装在易燃、易爆环境的风管系统应有良好的接地,通过生活区或其他辅助生产车间时必须严密,并不得设置接口。()
13、金属风管板材拼接的咬口缝应错开,不得有拼接缝。()
14、施工单位应当建立、健全教育培训制度,加强对职工的教育培训;未经教育培训或者考核不合格的人员,不得上岗作业。 ( )
15、具有会议电视功能的会议灯光系统,宜检测平均照度值。检测结果符合设计要求的应判定为合格。()
16、高程测量的任务是求出点的高程,即求出该点到某一基准面的垂直距离。为了建立一个全国统一的高程系统,必须确定一个统一的高程基准面,通常采用大地水准面即平 均海水面作为高程基准面。 ( )
17、施工现场周边有时需要设置围挡。 ( )
18、中断供电将发生中毒、爆炸和火灾等情况的负荷,以及特别重要场所不允许中断供电的负荷,应视为一般重要的负荷。 ( )
19、管道上使用冲压弯头时,所使用的冲压弯头外径与管道外径一致。()
20、涂塑钢管既有钢管的高强度,又有塑料材质干净卫生、不污染水质的特点,在耐腐蚀性、耐化学稳定性、耐水性及机械性等方面均较为出色,具有减阻、防腐、抗压、抗菌等作用,广泛应用于给排水、海水、油、气体及备种化工流体的输送。 ( )
21、二极管的正向电阻大于反向电阻。 ( )
22、时钟系统检测时,应检查时钟系统对其他系统主机的校时和授时功能,结果符合设计要求的应判定为合格。()
23、引下线是专门用来接受直击雷的金属物体。 ( )
24、机械循环热水采暖系统与自然循环热水采暖系统的主要区别是在系统中设置了循坏水泵,靠水泵提供的机械能使水在系统中循环。 ( )
25、15.湿式系统的联动试验,启动一只喷头或以0.94~1.5L/s的流量从末端试水装置处放水时,水流指示器、报警阀、压力开关、水力警铃和消防水泵等应及时动作,并发出相应的信号。()
26、建筑设备自动监控工程实施界面的确定贯彻于设备选型、系统设计、工程施工、检测验收的全过程中。 ( )
27、 配水干管(立管)与配水管(水平管)连接,应采用机械三通,不应采用沟槽式管件。()
28、-般项目是指允许偏差的检验项目。()
29、 10.埋地的沟槽式管件的螺栓、螺帽应做防腐处理。水泵房内的埋地管道连接应采用柔性接头。()
30、生活给水系统管道在交付使用前必须冲洗和消毒,并经有关部门取样检验,符合国家《生活饮用水标准》方可使用。()
31、经纬仪是测量角度的仪器,根据测角精度的不同,我国的经纬仪系列分为DJ07、DJ1、DJ2、DJ6、DJ30等几个等级。D和J分别是大地测量和经纬仪两词汉语拼音的首字 母,角码注字是它的精度指标。 ( )
32、空调与采暖的冷、热源空调水系统的监测控制系统应成功运行,控制及故障报警功能应符合设计要求。()
33、低温热水地板辐射供暖系统安装,在地面下敷设昀盘管埋地部分允许有热熔接头。
34、进口电气设备、器具和材料进场验收时,对有商检规定要求的进口电气设备尚应提供商检证明。()
35、检验批应由专业监理工程师组织施工单位项目负责人、专业工长等进行验收。 ()
36、在某次随机抽检方案制宠中,A方案抽取的样本方差为1.0,B方案抽取的样本方差为2.5,说明B方案设计得好。 ( )
37、变异系数小,说明数据分布集中程度高,离散程度小,均值对总体的代表性好。 ( )
38、各种承压管道系统和设备应做水压试验,非承压管道系统和设备应做灌水试验。 ()
39、直方图法又称质量分布图法。 ( )
40、监理单位干扰因素是影响施工项目进度的因素之一。()
四、案例分析题参考答案见试卷末尾
1、某安装公司中标了C市一大型写字楼机电安装工程,内容包含室内给水排水、电气 照明、配电房、通风与空调系统、消防及智能化监控系统等。项目部在施工过程中严格遵 守施工规范及验收标准,利用PDCA循环加强质量控制。项目最终验收合格,顺利投入 使用。根据背景材料,回答以下问题。 5月时施工班组完成了室内给水管道的安装,后续工艺流程正确的是( )。 (单项选择题)
A.压力试验一冲洗消毒一防腐绝热一通水验收
B.防腐绝热一压力试验一冲洗消毒一通水验收
C.防腐绝热一冲洗消毒一压力试验一通水验收
D.压力试验一防腐绝热一冲洗消毒一通水验收
2、通风与空调工程交工前,项目上进行了综合效能的测定与调整,应由( )负责实施。(单项选择题)
A.建设单位
B.设计单位
C.监理单位
D.施工单位
3、项目部质检员对照明系统的安装过程做了仔细检查,发现了一些操作错误,责令班组立即整改。以下说法错误的有( )。(多项选择题)
A.照明配电箱内应分别设置零线和保护接地(PE线)汇流排,零线和保护线应在 汇流排上连接,不得铰接
B.当吊灯灯具重量超过5kg时,应采取预埋吊钩或螺栓固定
C.安装在重要场所的大型灯具的玻璃罩应按设计要求采取防止碎裂后向下溅落的措施
D.螺口灯头的接线,相线应接在螺纹的端子上,零线应接在中心触点端子上
E.在变电所内,高低压配电设备及母线的正上方,不应安装灯具
4、消防广播线可单独穿管敷设,也可与其他弱电线管共管,但线路不宜过长,导线不能过细。 ( )(判断题)
5、当设备的控制采用非标准通信协议时,需要设备供应商提供数据格式,由建筑设 备监控系统承包商进行转换。 ( )(判断题)
6、某汽车前灯接在12V直流电源上,流过汽车前灯的电流为400mA时,灯光亮 度正常。根据背景材料,回答以下问题。 在汽车前灯并联电阻时,灯光亮度减弱。( )(判断题)
7、在汽车前灯电路串联电阻灯光亮度不变。( )(判断题)
8、若汽车前灯不亮时,通过它的电流是( )。(单项选择题)
A.0
B.200mA
C.400mA
D.800mA
9、汽车前灯的电阻是( )。(单项选择题)
A.3Ω
B.30Ω
C.300Ω
D.3000Ω
10、若汽车前灯不亮时,可能的情况有( )。(多项选择题)
A.电路断线
B.串联电阻
C.并联电阻
D.电源损毁
E.前灯烧毁
参考答案:
【一、单项选择题】
1~5 CCBCA 6~10 ACCBA
11~70点击安装“质量员题库APP”查看答案
【二、多项选择题】
1 ACDE 2 ABDE 3 ABCD 4 ABD 5 ACD
6~40点击安装“质量员题库APP”查看答案
【三、判断题】
1 对 2 错 3 对 4 对 5 对
6~40点击安装“质量员题库APP”查看答案
【四、案例分析题】
3 BD 4 错 5 对
6~10点击安装“质量员题库APP”查看答案
如果这样刷题不过瘾,请立即安装APP刷题,历年真题、高质量模拟题应有尽有。