自考建筑工程的核心课程有线形代数,物理,结构力学,混凝土结构设计,钢结构,计算机基础与程序设计,流体力学,工程地质及土力学,建筑设备,建筑经济与企业管理等。该专业自考难度有点大,不过我们上学吧自考建筑工程题库将该考试近10年的历年真题进行了收集和解答,如果您能坚持刷题,必然学有所获,通过考试不难。现在就点击安装APP刷题。以下为试卷的详细内容:
一、选择题参考答案见试卷末尾
1、当檩条跨度大于4m时,应在檩条中间位置设置拉条。当檩条跨度大于6m时,拉条应设置在檩条跨度的
A.端点处
B.四分点处
C.三分点处
D.二分点处
2、以下哪项加劲肋的设置方法不正确( )
A.同时采用横肋、纵肋加强的腹板,在二者相交处应断开纵肋,保持横肋连续
B.横向加劲肋必须双侧成对配置
C.有局部压应力作用的梁的横向加劲肋的最大间距为2h0
D.横向加劲肋的截面按构造确定,不必进行强度计算
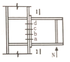
3、在如图所示的普通螺栓连接中,受拉力最小的螺栓所在的位置为
A.(a)
B.(b)
C.(c)
D.(d)
4、按设计规范直接受动荷载作用的构件,钢材应保证的指标为( )
A.fu、fy、E、冷弯180°和AKV
B.δ5、fy、E、冷弯180°和AKV
C.fu、δ5、E、冷弯180°和AKV
D.fu、δ5、fy、冷弯180°和AKV
5、钢材的抗拉强度与抗剪强度的关系是
6、设计焊接梁时,确定梁最小截面高度应满足的要求是( )
A.建筑要求
B.刚度要求
C.施工要求
D.经济要求
7、为提高轴心受压构件的整体稳定,在杆件截面面积不变的情况下,杆件截面的形式应使 其面积分布
A.尽可能集中于截面的形心处
B.尽可能远离形心
C.尽可能集中于截面的剪切中心
D.任意分布
8、以下同种牌号四种厚度的钢板中,钢材设计强度最高的为( )
A.12mm
B.24mm
C.30mm
D.50mm
9、如图所示连接,焊缝中最危险点为( ) 题7图
A.最上点
B.最下点
C.焊缝长度的中点
D.水平荷载延长线与焊缝相交处
10、某轴压柱绕两主轴属于不同截面分类,等稳定条件为( )
A.λx=λy
B.φxΦ=φy
C.Ix=Iy
D.ix=iy
11、钢材中硅元素的含量过高,超过允许值时,会降低钢材
A.塑性
B.韧性
C.可焊性
D.强度
12、采用摩擦型高强螺栓连接的两块钢板,如图所示,构件I-I危险截面所受的力为
A.N
B.0.875N
C.0.75N
D.0.5N
13、普通螺栓连接,限制端距 e≥2d0静强的是为了避免
A.螺栓杆受剪破坏
B.螺栓杆受弯破坏
C.板件受挤压破坏
D.板件端部冲剪破坏
14、验算焊接工字形截面轴心受压柱翼缘和腹板的局部稳定时,长细比取
A.绕强轴的长细比
B.绕弱轴的长细比
C.两方向长细比的较大值
D.两方向长细比的较小值
15、格构式缀条柱由柱肢和缀材组成,通过柱肢的轴是
A.实轴
B.虚轴
C.强轴
D.弱轴
16、设计某重级工作制的焊接吊车钢梁,吊车起重量为75t,工作温度低于-20℃,宜选用下列哪一种钢材?
A.Q235A
B.Q420B
C.Q390C
D.Q345E
17、为提高轴心受压构件的整体稳定,在构件截面面积不变的情况下,构件截面面积分布
A.尽可能集中于截面的形心处
B.尽可能远离形心
C.任意分布,无影响
D.尽可能集中于截面的剪切中心
18、实腹式压弯构件在弯矩作用平面外的失稳实质是
A.弯扭屈曲
B.弯曲屈曲
C.扭转屈曲
D.弹性屈曲
19、焊接残余应力对构件的哪个性能指标无影响?
A.静力强度
B.刚度
C.整体稳定
D.疲劳强度
20、与轴心受压构件的整体稳定系数φ直接有关的因素是
A.构件两端连接构造、长细比
B.构件连接形式、截面形式
C.钢材钢号、长细比
D.构件截面类别、弹性模量
参考答案:
【一、选择题】
1~5 CBDDB 6~10 BBABB
11~20点击安装“自考建筑题库APP”查看答案
如果这样刷题不过瘾,请立即安装APP刷题,历年真题、高质量模拟题应有尽有。