教师公开招聘考试全国没有统一的考试形式和考试大纲,部分省份实行全省统一考试,但大部分省份还是由当地区县教育局根据当地区县各学校招聘老师人员进行汇总,然后由区县教育局和人事局统一组织招聘考试,考试形式一般分为笔试和面试,有些地区直接笔试,无需面试。上学吧教师公开招聘题库板块在教育理论综合知识、公共基础知识以及专业基础知识都精心汇编了大量的模拟试题和专项训练题,希望这些努力可以帮助到您。现在就点击安装APP刷题。以下为试卷的详细内容:
一、单选题单项选择题(共8小题,每小题4分,共32分)参考答案见试卷末尾
1、伽利略为了研究自由落体的规律,将落体实验转化为著名的“斜面实验”,对于这个研究过程,下列说法正确的是( )
①斜面实验“冲淡”了重力的作用,便于运动时间的测量
②斜面实验放大了重力的作用,便于测量小球运动的路程
③通过对斜面实验的观察与计算,直接得到落体运动的规律
④根据斜面实验结论进行合理的外推,得到落体的运动规律
A.①②
B.②④
C.①④
D.①③
2、如图所示,完整的撑杆跳高过程可以简化成三个阶段,持杆助跑、撑杆起跳上升、越杆下落(下落时人杆分离),最后落在软垫上到速度减为零,不计空气的阻力,则( )
A.运动员在整个跳高过程中机械能守恒
B.运动员在撑杆起跳上升过程中机械能守恒
C.在撑杆起跳上升过程中杆的弹性势能转化为运动员的重力势能且弹性势能减少量小于运动员的 重力势能增加量
D.运动员落到软垫上时做减速运动,处于超重状态
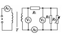
3、如图所示,理想变压器原线圈接在交流电源上,图中各电表均为理想电表。下列说法正确的是( )
A.当滑动变阻器的滑动触头P向上滑动时,R1消耗的功率变大
B.当滑动变阻器的滑动触头P向上滑动时,电压表V示数变大
C.当滑动变阻器的滑动触头P向上滑动时,电流表A1示数变大
D.若闭合开关S,则电流表A1示数变大、A2示数变大
4、组成星球的物质靠引力吸引在一起随星球自转。如果某质量分布均匀的星球自转周期为T,万有引力常量为G,为使该星球不至于瓦解,该星球的密度至少是( )
A.4/GT2
B.3/GT2
C.2/GT2
D.GT2
5、如图所示为A、B两质点在同一直线上运动的位移—时间(x-t)图象,A质点的图像为直线,B质点的图象为过原点的抛物线,两图象交点C、D坐标如图。下列说法不正确的是( )
A.A、B相遇两次
B.t1~t2时间段内B质点的平均速度与A质点匀速运动的速度相等
C.两物体速度相等的时刻一定在t1~t2时间段内的中间时刻
D.A在B前面且离B最远时,B的位移为(x1-x2)/2
6、如图所示,弹簧一端固定在天花板上,另一端连一质量M=2kg的秤盘,盘内放一个质量m=1kg的物体,秤盘在竖起向下的拉力F作用下保持静止,F=30N,当突然撤去外力F的瞬时,物体对秤盘的压力大小为(g=10m/s2)( )
A.10N
B.15N
C.20N
D.40N
7、如图,空间某区域存在匀强电场和匀强磁场,电场方向竖直向上(与纸面平行),磁场方向垂直于纸面向里,三个带正电的微粒a、b、c电荷量相等,质量分别为ma、mb、mc。已知在该区域内,a在纸面内做匀速圆周运动,b在纸面内向右做匀速直线运动,c在纸面内向左做匀速直线运动。下列选项正确的是( )
A.ma>mb>mc
B.mb>ma>mc
C.mc>ma>mb
D.mc>mb>ma
8、如图表示一交流电的电流随时间而变化的图像,此交流电流的有效值是( )
A.
B.5A
C.
D.3.5A
二、多选题多项选择题(每小题至少有2个选项是正确的,共9小题,每小题4分,共36分)参考答案见试卷末尾
1、飞镖运动于十五世纪兴起于英格兰,二十世纪初,成为人们日常休闲的必备活动。一般打飞镖的 靶上共标有10环,第10环的半径最小。现有一靶的第10环的半径为1cm,第9环的半径为2cm以此 类推,若靶的半径为10cm,在进行飞镖训练时,当人离靶的距离为5m,将飞镖对准第10环中心以水平速度v投出,g=10m/s2。则下列说法中正确的是( )
A.当v≥50m/s时,飞镖将射中第8环线以内
B.当v=50m/s时,飞镖将射中第6环线
C.若要击中第10环的线内,飞镖的速度v至少为50
m/s
D.若要击中靶子,飞镖的速度v至少为25
m/s
2、在星球表面发射探测器,当发射速度为v时,探测器可绕星球表面做匀速圆周运动;当发射速度达到
v时,可摆脱星球引力束缚脱离该星球。已知地球、火星两星球的质量比约为10∶1,半径比约为2∶1,下列说法正确的有( )
A.探测器的质量越大,脱离星球所需要的发射速度越大
B.探测器在地球表面受到的引力比在火星表面的大
C.探测器分别脱离两星球所需要的发射速度相等
D.探测器脱离星球的过程中,势能逐渐增大
3、如图甲所示,物体受到水平拉力F的作用,沿水平面做直线运动。通过力传感器和速度传感器监测得力F和物体速度v随时间t变化的规律如图乙所示。取重力加速度g=10m/s2,则( )
A.物体的质量m=0.5kg
B.物体与水平面间的动摩擦因数μ=0.2
C.0-3s内拉力F对物体做的功为1J
D.0-3s内拉力F的冲量大小为6N·s
4、如图所示,虚线a、b、c代表电场中三个等势面,相邻等势面之间的电势差相等,即Uab=Ubc。实线为一带正电的质点(不计重力)仅在电场力作用下通过该区域时的运动轨迹,M、N是这条轨迹上的两点,下列判断正确的是( )
A.三个等势面中,a的电势最低
B.带电质点在M点具有的电势能比在N点具有的电势能大
C.带电质点通过M点时的动能比通过N点时大
D.带电质点通过M点时的加速度比通过N点时大
5、如图所示,T为理想变压器,原副线圈匝数比为4:1,A1、A2为理想交流电流表,V1、V2为理想交流电压表,R1、R2为定值电阻,R3为热敏电阻(阻值随温度的升高而减小),原线圈两端接入如 后图所示的电压,以下说法正确的是( )

A.当温度升高时,电压表V1示数为55
V保持不变
B.当温度升高时,电压表V2示数变大
C.通过电流表A1的电流方向每秒变化100次
D.当温度升高时,电流表A1、A2示数同时变大
6、如图所示,表面光滑的半球形物体固定在水平面上,光滑小环D固定在半球形物体球心O的 正上方,轻质弹簧一端用轻质细绳固定在A点,另一端用轻质细绳穿过小环D与放在半球形物体上的 小球P相连,DA水平。现将细绳固定点A向右缓慢平移的过程中(小球P未到达半球最高点前),下列 说法正确的是( )
A.弹簧变短
B.弹簧变长
C.小球对半球的压力不变
D.小球对半球的压力变大
7、如图所示,相距为d的两水平线L1和L2分别是水平向里的匀强磁场的边界,磁场的磁感应强 度为B,正方形线框abcd边长为L(L<d)、质量为m,电阻为R。将线框在磁场上方高h处由静止释放,ab边刚进入磁场和穿出磁场时的速度恰好相等,则在线框全部穿过磁场的过程中( )
A.ab边刚进入磁场时ab两端的电势差为
B.感应电流所做功为mgd
C.感应电流所做功为2mgd
D.线框最小速度为
8、两只电压表V1和V2是由完全相同的电流表改装而成的,V1的量程为5V,V2的量程为15V, 为了测量15—20V的电压,把V1、V2串联起来使用,在这种情况下( )
A.V1和V2读数相等
B.V1和V2两表指针偏转角相等
C.V1和V2的读数之比等于1:3
D.V1和V2的指针偏转角度之比等于两个电压表的内阻之比
9、如图所示,导体球A与导体球壳B同心,原来都不带电,也不接地,设M、N两点的场强大小 为EM和EN,下列说法中正确的是( )
A.若使A带电,则EM≠0,EN=0
B.若使B带电,则EM=0,EN≠0
C.若使A、B两球分别带上等量异种电荷,则EM≠0,EN=0
D.若使A球带电,B球接地,则EM=0,EN=0
参考答案:
【一、单选题】
1~5 CCBBD
【二、多选题】
1 BD 2 BD 3 AD 4 BD 5 CD
6~9点击安装“教师招聘题库APP”查看答案
如果这样刷题不过瘾,请立即安装APP刷题,历年真题、高质量模拟题应有尽有。