二级注册建筑师考试是从事建筑设计及相关业务活动的专业技术人员参考的一个难度较大的考试,科目考试合格有效期为四年。考试的内容包括场地与建设设计,法律、法规、经济与施工、建筑结构与设备、建筑构造与详图。上学吧二级注册建筑师考试题库汇集了不少试题,为您学习刷题提供支持,现在就点击安装APP刷题。以下为试卷的详细内容:
一、单项选择题参考答案见试卷末尾
1、
第 1 题 对挡土墙必须进行的计算中,不包括下列哪一项?( )
2、
第 2 题 在通风管道中能防止烟气扩散的设施是什么( )。
A.防火卷帘
B.防火阀
C.排烟阀
D.手动调节阀
3、
第 3 题 单齿连接应计算的内容为:( )。
(1)承压面计算;(2)剪切面计算;(3)保险螺栓计算;(4)下弦净截面受拉验算
4、
第 4 题 建造在软弱地基上的建筑物,在适当部位宜设置沉降缝,下列哪一种说法是不正确的?( )
5、高层建筑热水采暖系统,建筑高度超过多少m时竖向宜分区。
A.30
B.50
C.100
D.120
6、
第 6 题 规范要求木结构屋顶承重构件的燃烧性能和耐火极限不应低于下列何项数值?( )
7、
第 7 题 钢筋混凝土扩展基础,当无垫层时,钢筋保护层的厚度不小于( )mm。
8、
第 8 题 高层建筑采用钢筋混凝土筒中筒结构时,外筒柱子截面设计成下列何者为最好( )。
A.圆形截面
B.正方形截面
C.矩形截面,长边平行外墙放置
D.矩形截面,短边平行外墙放置
9、
第 9 题 若要提高钢筋混凝土轴心受拉构件的承载力,下列哪些措施是无效的?( )
Ⅰ.加大构件截面尺寸;Il.提高纵向钢筋配筋率;111.加密箍筋;Ⅳ.对纵向钢筋施加预应力
10、
第 10 题 一钢筋混凝土梁,截面尺寸见图,弯矩设计值为150kN·m,采用C25,fc=11.9N/mm2,fY=360N/mm2,计算所需的钢筋面积(近似取内力臂为0.9h。)。(图中尺寸以mm为单位)( )

11、
第 11 题 下列哪一项与钢材可焊性有关:( )。
12、
第 12 题 预制轴心受压桩,其桩身强度为其截面面积与混凝土轴心抗压强度设计值之积,再乘以折减系数Ψc,Ψc取下列哪一数值是正确的?( )
13、
第 13 题 下列关于桩的承载力的叙述,其中哪一项是不恰当的( )。
A.对于一级建筑物,桩的竖向承载力应通过荷载试验来确定
B.桩没有抗拔能力
C.配子纵向钢筋的桩有一定的抗弯能力
D.桩的承载力与其截面的大小有关
14、
第 14 题 图示钢梯,下列对踏步板作用的表述,何者最准确( )。
I.承受踏步荷载
Ⅱ.有利于两侧钢板梁的整体稳定
Ⅲ.有利于提高两侧钢板梁的承载力
Ⅳ.有利于两侧钢板梁的局部稳定
15、
第 15 题 根据《建筑地基基础设计规范》,当钢筋混凝土筏板基础的厚度大于2000mm 时,宜在中部设置双向钢筋网,其最小直径和最大间距为( )。
16、
第 16 题 关于砌体抗剪强度的叙述,下列中哪种正确( )。
A.与块体强度等级、块体种类、砂浆强度等级均相关
B.与块体强度等级无关,与块体种类、砂浆强度等级有关
C.与块体种类无关,与块体强度等级、砂浆强度等级有关
D.与砂浆种类无关,与块体强度等级、块体种类有关
17、
第 17 题 土的十字板剪切试验适用于下列哪一种粘性土?( )
18、
第 18 题 合理配置预应力钢筋,将有下述中哪几项作用( )Ⅰ.可提高构件的抗裂度;Ⅱ.可提高构件的极限承载能力;Ⅲ.可减小截面受压区高度,增加构件的转动能力;Ⅳ.可适当减小构件截面的高度。
A.Ⅰ、Ⅱ
B.Ⅰ、Ⅳ
C.Ⅰ、Ⅱ、Ⅲ
D.Ⅰ、Ⅱ、Ⅲ、Ⅳ
19、
第 19 题 安全等级为一级的建筑物采用桩基时,单桩的承载力标准值,应通过现场静荷载试验确定。根据下列何者决定同一条件的试桩数量是正确的?( )
20、
第 20 题 下列相同牌号同一规格钢材的强度设计值中,哪三项取值相同( )。
Ⅰ.抗拉 Ⅱ.抗压 Ⅲ.抗剪
Ⅳ.抗弯 V.端面承压
21、
第 21 题 关于扩底灌注桩的中心距,下列说法中正确的是( )。
22、
第 22 题 水箱上的哪种管不得装阀门( )。
A.进水管
B.出水管
C.泄水管
D.滥水管
23、
第 23 题 进行高层钢筋混凝土框架结构的抗震设计时,下列哪一条规定是不正确的?( )
24、
第 24 题 木材强度等级代号(例如TBl5)后的数字(如15),表示其何种强度设计值?( )
25、
第 25 题 黏性土的状态分为坚硬、可塑、软塑和流塑。它是根据下列哪个指标来划分的?( )
26、
第 26 题 对山区(包括丘陵地带)地基的设计,下列各因素中哪一种是应予考虑的主要因素?( )
27、
第 27 题 岩石坚硬程度的划分,下列何种说法是正确的?( )
28、雨水斗的排水连接管管径有何要求( )
A.大于50mm
B.不得小于100mm
C.不得小于150mm
D.不得小于200mm
29、
第 29 题 根据《建筑地基基础设计规范》(GB 50007--2002),下列何种建筑物的桩基可不进行沉降验算?( )
30、
第 30 题 无筋砖扩展基础的台阶宽高比允许值,当砖不低于MUl0,砂浆不低于M5时为下列哪一个数值?( )
31、
第 31 题 下列防治滑坡的措施中不正确的是( )。
32、
第 32 题 需要验算疲劳的焊接钢吊车梁不应采用下列何项钢材( )。
33、
第 33 题 下列4项中哪一项是正确的?( )
34、
第 34 题 规范规定:在严寒地区,与元侵蚀性土壤接触的地下室外墙最低混凝土强度等级为下列何项?( )
35、
第 35 题 土的塑性指数Ip,下列对其物理概念的描述中何种说法是不正确的?( )
36、
第 36 题 地基变形计算深度应采用下列何种方法计算?( )
37、
第 37 题 木材的缺陷对哪种强度影响最大?( )
38、
第 38 题 砌体的线膨胀系数和收缩率与下列中的哪种因素有关( )。
A.砌体类别
B.砌体抗压强度
C.砂浆种类
D.砂浆强度等级
39、
第 39 题 木结构单齿连接图中关于保险螺栓的作用,( )的表达是正确的。
I.设计中考虑保险螺栓与齿的共同作用
Ⅱ.设计中不考虑保险螺栓与齿的共同作用
Ⅲ.保险螺栓应按计算确定
Ⅳ.保险螺栓应采用延性较好的钢材制作

40、
第 40 题 在结构图中,下列钢结构围焊焊缝表示方法,哪一种是正确的?( )
41、
第 45 题 刚性砖基础的台阶宽高比最大允许值为( )。
42、
第 42 题 下列关于钢筋混凝土门式刚架的叙述,哪一项是错误的?( )
43、
第 43 题 下列关于钢构件长细比的表述,何项正确( )。
44、
第 44 题 对边缘有缺口且为对称的轴压构件,在稳定计算中,截面的取值为( )。
45、
第 45 题 刚性砖基础的台阶宽高比最大允许值为( )。
46、
第 46 题 下列关于土的含水量的定义中正确的是( )。
47、
第 47 题 下面关于一般基础埋置深度的叙述,哪一项是不适当的?( )
48、
第 48 题 土的力学性质与内摩擦角φ值和粘聚力C值的关系,下列哪种说法是不正确的?( )
49、
第 49 题 下列关于建筑物桩基的沉降验算,说法不正确的是( )。
50、
第 50 题 施工完成后的工程桩应进行竖向承载力的检验,检验桩数占同条件下总桩数的最小比例和最小根数,下列哪一组数值是符合规范要求的?( )
51、
第 51 题 以下关于钢筋混凝土柱构造要求的叙述中,哪种是不正确的( )。
A.纵向钢筋沿周边布置
B.纵向钢筋净距不小于50mm
C.箍筋应形成封闭
D.纵向钢筋配置越多越好
52、
第 52 题 我国现行《混凝土结构设计规范》中,预应力钢绞线、钢丝和热处理钢筋的强度标准值由下列何值确定?( )
53、
第 53 题 跨度大于30m的混凝土梁,选用下列中哪一种类型较为经济合理( )。
A.高宽比为4的矩形截面钢筋混凝土梁
B.钢骨混凝土梁
C.矩形截面预应力混凝土梁
D.箱形截面预应力混凝土粱
54、
第 54 题 非地震区车间、仓库、食堂等空旷的单层砖砌体房屋檐口标高大于以下何值时,应增加圈梁设置数量?( )
55、
第 55 题 土的含水量w的定义,下列何种说法是正确的?( )
56、
第 56 题 下列哪一项与钢材可焊性有关( )。
A.塑性
B.韧性
C.冷弯性能
D.疲劳性能
57、
第 57 题 下列中哪种措施可以减小混凝土的收缩( )。
A.增加水泥用量
B.加大水灰比
C.提高水泥强度等级
D.加强混凝土的养护
58、
第 58 题 当新建建筑物的基础埋深大于旧有建筑物基础,且距离较近时,应采取适当的施工方法,下列哪一种说法是不正确的?( )
59、
第 59 题 软弱地基有大面积填土时,宜在基础施工前多长时间完成?( )
60、
第 60 题 对于民用建筑承受静载的钢屋架,下列关于选用钢材钢号和对钢材要求的叙述中,何者是不正确的( )。
A.可选用Q235号钢
B.可选用Q345钢
C.钢材须具有抗拉强度、屈服强度、伸长率的合格保证
D.钢材须具有常温冲击韧性的合格保证
61、
第 61 题 以下哪类建筑在施工及使用期间可不进行沉降观测?( )
62、
第 62 题 土的抗剪强度取决于下列哪一组物理指标?( )
I.土的内摩擦角a值 Ⅱ.土的抗压强度
Ⅲ.土的黏聚力C值 Ⅳ.土的塑性指数
63、
第 63 题 下列哪一组性能属于钢筋的力学性能?( )
Ⅰ.拉伸性能 Ⅱ.塑性性能 Ⅲ.冲击韧性
Ⅳ.冷弯性能 V.焊接性能
64、
第 64 题 当木结构处于下列何种环境时,不能保证木材避免腐朽?( )
65、
第 65 题 土中孔隙比e的定义下列何种说法是正确的?( )
66、
第 66 题 自一连续梁中取出一跨(见图),求跨度中点弯矩( )。

67、
第 67 题 关于建筑物的地基变形计算及控制,下列说法中正确的是( )。
68、
第 68 题 为增强整体刚度,在软弱地基上的多层砌体房屋,其长高比(房屋长度与高度之比)宜小于或等于( )。
69、
第 69 题 下列关于桩的承载力的叙述,其中哪一项是不恰当的?( )
70、
第 70 题 在软土地区,大量抽取地下水对地基土会产生影响中,下列何种说法是不正确的?( )
71、
第 71 题 软弱土层的处理办法,下列哪一种做法是不恰当的?( )
72、
第 72 题 简支工字钢梁在均布荷载作用下绕强轴的弯矩设计值为Mx一89.2kN·m,钢材牌号为Q2358,f=215N/mm2,抗弯强度验算时不考虑截面塑性发展系数,至少应选用下列哪一种型号的工字钢( )。
73、
第 73 题 验算施工阶段砂浆尚未硬化的新砌砌体高厚比时,允许高厚比对墙取以下何值?( )
74、
第 74 题 下列关于烧结粘土砖砌体与蒸压灰砂砖砌体性能的论述中,( )是正确的。
75、
第 75 题 对一般建筑的梁板式筏基,筏板厚度受以下哪项影响最小?( )
76、
第 76 题 关于木材强度设计值的取值,下列表达中符合规范要求的是( )。
I.矩形截面短边尺寸≥150mm时,可提高10%
Ⅱ.矩形截面短边尺寸≥150mm时,可降低10%
Ⅲ.采用湿木材时,材料的横纹承压强度宜降低10%
Ⅳ.采用湿木材时,材料的横纹承压强度宜提高10%
77、
第 77 题 钢梁腹板加劲肋的主要作用是( )。
78、
第 78 题 木结构中承重拉弯的构件,应选择哪种材质的木材来制作?( )
79、
第 79 题 下列关于承重木结构使用条件的叙述中,何项不正确?( )
80、在其他条件相同的情况下,钢筋混凝土框架结构的伸缩缝最大间距比钢筋混凝土剪力墙结构的()。
A.大
B.小
C.相同
D.不能肯定
81、
第 81 题 建筑抗震设计应符合下列哪一项要求?( )
Ⅰ.应符合概念设计的要求
Ⅱ.当采用严重不规则的方案时,应进行弹塑性时程分析
Ⅲ.不应采用严重不规则的设计方案
Ⅳ.当采用严重不规则的方案时,应作振动台模型试验
82、
第 82 题 防止土体滑坡的措施,下列哪一种方法是不正确的?( )
83、楼梯间的散热器尽量布置在( )
A.顶层
B.底层
C.随便哪层
D.中间层
84、
第 84 题 砌体结构中钢筋混凝土挑梁,埋入砌体内的长度与其挑出长度之比,以下何项为适宜?( )
85、
第 85 题 地基上的冻胀性类别可分为:不冻胀,弱冻胀,冻胀和强冻胀四类,碎石土属于:( )
86、
第 86 题 刚性矩形基础如图所示。为使基础底面不出现拉力,则偏心距e=M/N必须满足( )。

87、
第 87 题 提高砖和砂浆粘结强度的途径有哪些?( )
1.提高砂浆强度等级;Ⅱ.增加砖块大面上的粗糙度;Ⅲ.砌筑时砖的湿润程度保持最佳状态;lV.采用能使砖块交搭的水平齿缝段尽可能长的砌筑方式
88、
第 88 题 摩擦型桩的中心距与桩身直径的最小比值,下列哪一个数值是恰当的?( )
89、
第 89 题 山区地基的设计,可不考虑下列何种因素?( )
90、
第 90 题 机械压实地基措施,一般适用下列哪一种地基?( )
91、
第 91 题 预应力混凝土结构不宜采用下列中的哪种钢筋( )。
A.钢绞线
B.钢丝
C.热轧钢筋
D.热处理钢筋
92、
第 92 题 三角形钢屋架的常用跨度在( )以下,梯形钢屋架的常用跨度可达27m。
93、
第 93 题 受拉构件的净截面面积计算之中,应将分布在( )长度范围内的缺孔计算在同一截面内。
94、
第 94 题 对于砂土地基上的一般建筑,其在施工期间完成的沉降量为( )。
95、
第 95 题 关于土壤的压缩系数,下列哪一种说法是正确的?( )
96、
第 96 题 当木材表面温度高于( )时,不宜采用木结构。
97、
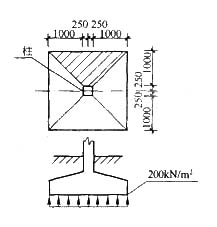
第 97 题 一矩形平面基础,平面尺寸为2.5m×2.5m,柱尺寸500mm× 500mm,基础所受净反力设计值为200kN/m2,按《建筑地基基础设计规范》求柱边处基础板的弯矩设计值(取整数)。(图中尺寸以毫米为单位)( )

98、
第 98 题 柱间支撑构件的代号,下列哪一种是正确的( )。
99、消防控制室隔墙的防火极限不低于( )
A.2h
B.2.5h
C.3h
D.3.5h
100、
第 100 题 扩底灌注桩的扩底直径,不应大于桩身直径的倍数,下列哪一个数值是正确的?( )
参考答案:
【一、单项选择题】
1~5 ABDBB 6~10 BDCCA
11~100点击安装“注册建筑师题库APP”查看答案
如果这样刷题不过瘾,请立即安装APP刷题,历年真题、高质量模拟题应有尽有。