一级注册建筑师考试是从事建筑设计及相关业务活动的专业技术人员参考的一个难度很大的考试,建筑师需要兼备艺术家的审美眼光和工程师的力学知识,还需要具体不错的沟通能力。考试的内容包括场地设计、建筑方案设计、建筑技术设计,经济、施工与设计管理、设计前期与场地设计、建筑材料与构造等等。上学吧一级注册建筑师考试题库汇集了不少试题,为您学习刷题提供支持,现在就点击安装APP刷题。以下为试卷的详细内容:
一、单项选择题参考答案见试卷末尾
1、下述关于钢筋混凝土柱的箍筋作用的叙述中,错误的是( )。
A.增强斜截面抗剪能力
B.增强正截面抗弯能力
C.纵筋的骨架
D.增强抗震中的延性
2、以下哪一阶段是钢筋混凝土适筋梁正截面承载力计算的依据?( )
A.Ⅰa
B.Ⅱ
C.Ⅱa
D.Ⅲa
3、在抗震设计中,框架结构应该特别加强的部位是()。
A.框架角柱、短柱、框支柱
B.框架中柱、边柱、短柱
C.框架边柱、角柱、框支柱
D.框架短柱、边柱、框支柱
4、对抗震结构的构件进行设计时,下列叙述中不正确的是()。
A.混凝土结构构件应控制截面尺寸和受力钢筋、箍筋的设置,防止剪切破坏先于弯曲破坏、混凝土的压溃先于钢筋的屈服、钢筋的锚固粘结破坏先于钢筋破坏
B.预应力混凝土的构件的延性较差,应适当提高其承载力
C.砌体结构应按规定设置钢筋混凝土圈梁和构造柱、芯柱,或采用约束砌体、配筋砌体等
D.多、高层的混凝土楼、屋盖宜优先采用现浇混凝土板。当采用预制装配式混凝土楼、屋盖时,应从楼盖体系和构造上采取措施确保各预制板之间连接的整体性
5、关于抗震设计结构体系,下列选项的说法不正确的是()。
A.宜有多道抗震防线
B.结构在两个主轴方向的动力特性要完全相同
C.应具有明确的计算简图和合理的地震作用传递途径
D.对可能出现的薄弱部位,应采取措施提高其抗震能力
6、下列哪一项与砌体收缩率有关?( )
A.砌体抗压强度
B.砌体种类
C.砂浆强度等级
D.砂浆种类
7、在砌块、料石砌成的砌体结构中,当梁的跨度大于或等于( )时,梁支座处宜加设壁柱或采取其他加强措施。
A.3.6m
B.4.2m
C.4.8m
D.6.0m
8、下列关于框架结构和框架-抗震墙结构的结构布置的要求中哪一项是不正确的?()
A.柱中线与抗震墙中线必须对齐
B.梁中线与柱中线之间偏心距大于柱宽的1/4时,应计入偏心的影响
C.框架和抗震墙均应双向设置
D.甲、乙类建筑以及高度大于24m的丙类建筑,不应采用单跨框架结构
9、相同地基上的基础,宽度相同时,则埋深愈深地基的承载力( )。
A.愈大
B.愈小
C.与埋深无关
D.按不同土的类别而定
10、某幢十八层剪力墙结构住宅,基础底板下三十米深度内为黏性土,采用φ500、长度26m的预制混凝土管桩,试问下列哪一种布桩方式合理?( )
A.满堂正交方格布桩
B.尽可能在墙下布桩
C.满堂梅花状布桩
D.剪力墙转角处布桩
11、当钢筋混凝土房屋抗震墙之间无大洞口的楼、屋盖,其长宽比超过《建筑抗震设计规范》的规定时,应采取下列何项措施?()
A.在楼板的两个侧边增加配筋
B.增加剪力墙的厚度
C.增加楼板厚度
D.考虑楼盖平面内变形的影响
12、在设计一个有抗震设防要求的剪力墙结构中,有的设计人员在绘制施工图时,任意增加设计和构造所需的钢筋面积,认为:"这样更安全"。但是下列各条中,哪一条会由于增加了钢筋面积反而可能使结构的抗震能力降低?()
A.增加剪力墙的水平钢筋面积
B.增加剪力墙连梁的纵向钢筋和箍筋面积
C.增加剪力墙的水平钢筋和纵向分布钢筋面积
D.增加剪力墙连梁的纵向钢筋面积
13、为使图示A截面的弯矩为零,则集中荷载P为( )kN。
A.4
B.8
C.12
D.16
14、7度设防地区采用时程分析的房屋高度范围是()。
A.>80m
B.>120m
C.>100m
D.>60m
15、因结构超长需在楼板内设置预应力钢筋,其设置部位何项正确?( )
A.设在板底部
B.设在板厚中部
C.设在板顶部
D.跨中设在板顶,支座设在板底
16、对于有抗震设计的多层砖砌体房屋,关于其构造柱的构造要求,下列哪项是错误的?( )
A.构造柱最小截面需240mm×240mm及以上
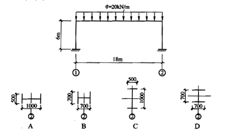
B.纵向钢筋宜采用4φ12
C.箍筋间距不宜大于250mm,且在柱上下端应适当加密
D.构造柱与圈梁连接处,构造柱的纵筋应在圈梁纵筋内侧穿过,保证构造柱纵筋上下贯通
17、低碳钢受拉屈服后,塑性变形很大,从屈服点至断裂,其塑性工作区域约为弹性工作区域( )。
A.200倍
B.250~300倍
C.100~150倍
D.6~9倍
18、对钢筋混凝土构件施加预应力的目的是为( )。
A.提高构件的抗裂度和刚度
B.提高构件的耐久性
C.提高构件的极限承载力
D.减小构件的徐变
19、配筋砌块砌体剪力墙中的钢筋直径不宜大于以下何值?( )
A.18mm
B.20mm
C.25mm
D.28mm
20、预应力混凝土结构不宜采用下列中的哪种钢筋?( )
A.钢丝
B.热轧钢筋
C.钢绞线
D.热处理钢筋
21、框架结构和框架-抗震墙结构中,框架和抗震墙应如何设置?()
A.框架横向设置,抗震墙横向设置
B.框架横向设置,抗震墙双向设置
C.框架横向设置,抗震墙纵向设置
D.均双向布置
22、以下关于常用建筑钢材的叙述中,何者是错误的?( )
A.普通碳素钢随钢号增大,强度提高、伸长率降低
B.普通碳素钢随钢号增大,强度提高、伸长率增加
C.建筑常用钢材一般分为普通碳素钢、普通低合金钢和优质碳素钢三大类
D.普通碳素钢按炼钢炉种分为平炉钢、氧气转炉钢、空气转炉钢三种,按脱氧程度分沸腾钢、镇静钢、半镇静钢三种
23、关于框架-抗震墙结构和板柱-抗震墙结构中的抗震墙设置,以下说法错误的是哪一项?()
A.楼梯间宜设置抗震墙,但不宜造成较大的扭转效应
B.抗震墙洞口宜上下对齐;洞边距端柱不宜小于400mm
C.抗震墙宜贯通房屋全高
D.抗震墙的两端(不包括洞口两侧)宜设置端柱或与另一方向的抗震墙相连
24、对于民用建筑承受静载的钢屋架,下列关于选用钢材钢号和对钢材要求的叙述中,何者是不正确的?( )
A.可选用Q345钢
B.钢材须具有抗拉强度、屈服强度、伸长率的合格保证
C.可选用Q235钢
D.钢材须具有常温冲击韧性的合格保证
25、钢柱和钢梁板件的宽厚比限值是为保证下列哪一种功能的要求?( )
A.变形要求
B.稳定要求
C.强度要求
D.保证焊接质量的要求
26、在抗震设计时,多层砖砌体房屋的楼屋面,当采用装配式楼板或屋面板时,其伸进内墙的长度不宜小于()mm。
A.100
B.90
C.120
D.80
27、某条形基础在偏心荷载作用下,其基础底面的压力如图所示,为满足地基的承载力要求,该基础底面的压力应符合下列何项公式才是完全正确的?( )提示:fa为修正后的地基承载力特征值。

28、下列可不考虑天然地基及基础的抗震承载力的建筑类别是( )。
A.地基主要受力层范围内存在软弱黏性土的单层厂房
B.9度时高度不超过100m的烟囱
C.砌体房屋
D.7度时高度为150m的烟囱
29、下列钢筋混凝土结构体系中可用于B级高度高层建筑的为()。I.全部落地抗震墙结构Ⅱ,部分框支抗震墙结构Ⅲ.框架结构Ⅳ.板柱-抗震墙结构
A.Ⅲ
B.Ⅱ、Ⅳ
C.Ⅱ
D.Ⅲ、Ⅳ
30、木结构建筑不应超过( )层。
A.2
B.3
C.1
D.4
31、下列关于柱中箍筋构造要求的叙述,哪一条是错误的?( )
A.箍筋间距S≤400mm
B.箍筋间距S≤15
C.箍筋直径d≥/4
D.箍筋间距S≥6
32、焊条型号E43××是指( )。
A.熔敷金属抗拉强度≥430kPa的焊条
B.熔敷金属屈服强度≥430kPa的焊条
C.熔敷金属抗拉强度≥420MPa的焊条
D.熔敷金属屈服强度≥420MPa的焊条
33、一幢四层轻工业加工厂房,平面尺寸为16m×48m,布置两条同样的纵向流程生产线,楼面活载5kN/m,建设场地为非抗震设防区,风力也较小。现已确定采用现浇横向框架结构。下列各种框架布置中哪种最为合适?()
A.两跨框架,跨度8m+8m
B.两跨框架,跨度10m+6m
C.单跨框架,跨度16m
D.三跨框架,跨度6m+4m+6m
34、在地震区选择建筑场地时,下列要求中不正确的是()。
A.不应在地震时可能发生地裂的地段来造丙类建筑
B.场地内存在地震断裂带时,应坚决避开
C.不应在滑坡、泥石流上建造乙类建筑
D.甲类建筑应建造在坚硬土上
35、以下关于在寒冷地区考虑冻土地基的基础埋置深度的叙述,哪些是正确的?( )Ⅰ对各类地基土,均须将基础埋置在冻深以下Ⅱ地基土天然含水量小且冻结期间地下水位低于冻深大于2m时,均可不考虑冻胀的影响Ⅲ黏性土可不考虑冻胀对基础埋置深度的影响Ⅳ碎石土、细砂土可不考虑冻胀对基础埋置深度的影响
A.Ⅰ
B.Ⅱ、Ⅲ
C.Ⅲ
D.Ⅱ、Ⅳ
36、受力预埋件的锚筋不应采用下列哪种钢筋?( )
A.HRB335级钢筋
B.HRB400级钢筋
C.HPB300级钢筋
D.冷加工钢筋
37、某钢框架房屋,顶层水平支撑布置如图,下列关于其水平支撑的相关表述,何者正确?( )Ⅰ.两端与框架柱刚接Ⅱ.两端与框架柱铰接Ⅲ.承担楼面竖向荷载作用Ⅳ.不承担楼面竖向荷载作用
A.Ⅰ、Ⅳ
B.Ⅱ、Ⅲ
C.Ⅰ、Ⅲ
D.Ⅱ、Ⅳ
38、下列论述符合《建筑结构荷载规范》(GB50009-2012)的要求的是( )。
A.不上人屋面均布活荷载标准值为0.7kN/m2
B.上人屋面均布活荷载标准值为1.5kN/m2
C.斜屋面活荷载标准值是指水平投影面上的数值
D.屋顶花园活荷载标准包括花圃土石等材料自重
39、关于承重木结构使用条件的叙述,下列何项不正确?( )
A.宜在正常湿度环境下的房屋结构中使用
B.未经防火处理的木结构不应用于极易引起火灾的建筑中
C.宜在正常温度环境下的房屋结构中使用
D.不应用于经常受潮且不易通风的场所
40、抗震建筑楼板开洞尺寸的限值为()。
A.不大于楼面长度的20%
B.不宜大于楼面宽度的50%
C.不大于楼面宽度的10%
D.只要加强可不受限
41、关于无黏结预应力钢筋混凝土梁的优点。下列哪一种说法是不正确的?( )
A.敷设安装方便
B.抗裂性能高
C.张拉较容易,摩擦力小
D.抗震性能比有黏结高
42、抗震设计时,关于多层砌体房屋抗震横墙的最大间距的规定,下列叙述哪一条是正确的?()
A.主要是为增大墙体水平抗震承载力的需要
B.主要是为保证楼、屋盖对水平地震作用所需的刚度
C.最大间距与砖和砌体房屋类别无关
D.最大间距与抗震设防烈度类别无关
43、对于黏土砖砌体承重的房屋,当设防烈度为7度时,房屋总高度不应超过()。
A.27m
B.24m
C.21m
D.18m
44、钢筋混凝土悬臂构件的允许挠度值是相同长度两端支承的受弯构件允许挠度值的( )。
A.1.5倍
B.1.0倍
C.2.0倍
D.0.5倍
45、设防烈度为7度时的毛料石砌体房屋总高度和层数不宜超过多少?()
A.10m、三层
B.13m、四层
C.7m、二层
D.16m、五层
46、对于二级抗震墙,两端有翼墙或端柱时的墙板厚度,除不应小于层高的1/20外,还不应小于()mm。
A.140
B.160
C.120
D.200
47、对于偶然组合,要求( )。
A.只考虑永久荷载与偶然作用的组合
B.偶然作用的代表值不乘以荷载分项系数
C.偶然作用的代表值乘以荷载分项系数
D.可变荷载不参与组合
48、在跨度较大的屋盖结构中,与梁相比,采用桁架的优势在于()。
A.形式美观
B.施工方便
C.受力合理并且自重轻
D.有利于屋面排水
49、根据《建筑抗震设计规范》,抗震设计时,24m以上的抗震墙结构和框架-抗震墙结构,其底部加强部位的高度是指下列哪一种情况?()
A.墙肢总高度的1/10和底部二层二者的较大值
B.墙肢总高度的1/10和底部二层二者的较小值
C.底部二层
D.底部三层,且不大于15m
50、下列柱纵筋布置不正确的是()。
A.总配筋率不大于5%
B.纵筋在柱端箍筋加密区绑扎
C.对称布置
D.每一侧配筋率不小于0.2%
51、民用钢筋混凝土井式楼盖的次梁的高跨比,下列中哪一个数值范围是较常用的?( )
A.1/10-1/12
B.1/14-1/16
C.1/16-1/18
D.1/18-1/20
52、对于承载能力极限状态设计,应考虑的结构作用效应的最不利组合是( )。
A.基本组合和标准组合
B.标准组合和偶然组合
C.基本组合和偶然组合
D.持久状态和偶然状态
53、在抗震设防7(0.15g)度区,钢结构框架房屋,其最大适用高度为()m。
A.90
B.110
C.70
D.50
54、结构受力如图,B点转角处于哪种状态?( )
A.顺时针转动
B.逆时针转动
C.无转动
D.不能确定
55、对于人流可能密集的楼梯,其楼面均布活荷载标准值取值为( )。
A.2.5kN/m2
B.3.0kN/m2
C.2.0kN/m2
D.3.5kN/m2
56、国家标准设计图集中,上置1.5m×6m预应力屋面板的钢筋混凝土折线形屋架的最大跨度为()。
A.18m
B.21m
C.15m
D.24m
57、设计钢筋混凝土构件保护层厚度时,可不考虑下列何项因素?( )
A.钢筋种类
B.混凝土强度等级
C.构件使用环境
D.构件类别
58、地面以下或防潮层以下的墙体,基土的潮湿程度为稍湿润时,所用的水泥砂浆最低强度等级为M50,而对于设计使用年限大于50年的房屋,其水泥砂浆最低强度等级应为( )。
A.M2.5
B.M5.0
C.M7.5
D.M10
59、确定房屋沉降缝的宽度应根据( )。
A.房屋的高度或层数
B.结构类型
C.地基土的压缩性
D.基础形式
60、底部大空间部分框支剪力墙高层建筑,地面以上大空间的层数,在8度区和7度区分别不宜超过下列哪一组层数?()
A.3层,5层
B.4层,6层
C.2层,3层
D.5层,8层
61、图示框架受均布侧力后其变形曲线应为何者?()

62、双面抹灰的36cm厚砖墙自重标准值为( )。
A.7.0~8.0kN/m2
B.8.0~9.0kN/m2
C.9.0~10kN/m2
D.10~11kN/m2
63、多层钢框架结构,在风荷载作用下的顶点水平位移不宜大于( )。(H为建筑高度)
A.H/500
B.H/350
C.H/400
D.H/200
64、下列关于减轻液化影响所采取的综合处理措施中,哪一项是不恰当的?()
A.调整基础底面积,减少基础偏心
B.加强基础的整体性和刚度,如采用箱基、筏基或钢筋混凝土交叉条形基础,加设基础圈梁等
C.尽量采用深基础
D.减轻荷载,增强上部结构的整体刚度和均匀对称性,合理设置沉降缝,避免采用对不均匀沉降敏感的结构形式等
65、对夹心墙中叶墙之间连接件作用的下列描述,何项不正确?( )
A.提高内叶墙的承载力
B.减小夹心墙的裂缝
C.协调内、外叶墙的变形
D.增加叶墙的稳定性
66、下列各选项中,不属于受弯构件正截面破坏类型的是( )。
A.超筋破坏
B.少筋破坏
C.适筋破坏
D.部分超配筋破坏
67、关于抗震设计规范中规定的应进行弹塑性变形验算的结构类型与范围,下列不正确的是()。
A.8度Ⅲ、Ⅳ类场地和9度时,高大的单层钢筋混凝土柱厂房的横向排架
B.7~9度时楼层屈服强度系数小于1.0的钢筋混凝土框架结构
C.甲类建筑和9度时乙类建筑中的钢筋混凝土结构和钢结构
D.高度大于150m的结构
68、当采用装配式楼盖时,一般多层房屋钢筋混凝土框架柱的计算长度为下列何值?( )
A.底层lo=1.0H,其他层lo=1.25H
B.底层lo=1.25H,其他层lo=1.5H
C.底层lo=1.25H,其他层lo=1.0H
D.底层lo=1.5H,其他层lo=1.25H
69、下列关于地基土的表述中,错误的是( )。
A.碎石土为粒径大于2mm的颗粒含量超过全重50%的土
B.砂土为粒径大于2mm的颗粒含量不超过全重50%,粒径大于0.075mm的颗粒含量超过全重50%的土
C.黏性土为塑性指数Ip小于10的土
D.淤泥是天然含水量大于液限、天然孔隙比大于或等于1.5的黏性土
70、采用方木作为木桁架下弦时,其桁架跨度不应大于( )m。
A.5
B.8
C.10
D.12
71、对常用厚度的钢材(8~80mm),随着厚度的增加,以下说法正确的是( )。
A.钢材强度增加
B.钢材可焊性能增加
C.钢材冷弯性能增加
D.钢材Z向性能下降
72、某多层建筑地基为砂土,其在施工期间完成的沉降量,可认为是完成最终沉降量的( )。
A.5%~20%
B.20%~50%
C.50%~80%
D.80%以上
73、受力钢筋的接头宜优先采用焊接接头,无条件焊接时,也可采用绑扎接头,但下列哪种构件不宜采用绑扎接头?( )
A.受弯构件及受扭构件
B.轴心受压构件及偏心受压构件
C.轴心受拉构件及偏心受拉构件
D.轴心受拉构件及小偏心受拉构件
74、根据《高层建筑混凝土结构技术规程》,非抗震设计区现浇框架结构适用的最大高度如下()。
A.40m
B.50m
C.30m
D.70m
75、下列关于预应力混凝土结构的叙述,哪一条是错误的?( )
A.由于施加了预应力,提高了抗裂度,故预应力混凝土构件在使用阶段都是不开裂的
B.预应力混凝土受弯构件的挠度比普通钢筋混凝土受弯构件的挠度小
C.假如张拉控制应力σcon相同,先张法施工所建立的混凝土有效预压应力比后张法施工低
D.预应力混凝土构件的抗疲劳性能比普通钢筋混凝土构件好
76、抗震要求的单层砖柱厂房,关于横墙的叙述,下列哪些是正确的?()Ⅰ.厂房两端应设置非承重山墙Ⅱ.厂房两端应设置承重山墙Ⅲ.横向内隔墙宜做成抗震墙Ⅳ.横向内隔墙不宜做成抗震墙
A.Ⅱ、Ⅳ
B.Ⅰ、Ⅳ
C.Ⅰ、Ⅲ
D.Ⅱ、Ⅲ
77、配筋率适中的钢筋混凝土梁(即适筋梁),正截面受弯破坏时具有下述何种特征?( )
A.脆性破坏
B.有时延性、有时脆性破坏
C.延性破坏
D.破坏时导致斜截面受弯破坏
78、多层停车库的楼面均布活荷载是按( )确定的。
A.车的吨位大小
B.楼盖结构形式
C.车库的规模
D.固定值5kN/m2
79、某单跨钢框架如图,问柱截面下列四种布置中何种最为合适(提示:不考虑其他专业的要求,钢梁钢柱稳定有保证,各柱截面面积相等)?( )
80、抗震墙的墙肢长度不大于墙厚的3倍时,应()。
A.按柱的要求设计,箍筋在中部加密
B.按梁的要求设计,箍筋沿全高加密
C.按柱的要求设计,箍筋沿全高加密
D.按梁的要求设计,箍筋在中部加密
81、在地震区建造房屋,下列结构体系中何者能建造的高度最高?()
A.筒中筒
B.框架核心筒
C.框架
D.剪力墙
82、钢筋混凝土高层建筑的框支层楼板(即转换层楼板)应采用现浇,且应有一定厚度,下列最小厚度的要求,何者是正确的?()
A.≥150mm
B.≥180mm
C.≥100mm
D.≥200mm
83、非地震区砖砌体结构的门、窗洞口采用砖砌平拱过梁时,其洞口宽度不宜超过以下何值?( )
A.1.2m
B.1.5m
C.1.8m
D.2.0m
84、钢结构设计中,对工字形钢梁通常设置横向加劲肋(见图),下述关于横向加劲肋的主要作用的表述正确的是( )。Ⅰ.确保结构的整体稳定Ⅱ.确保钢梁腹板的局部稳定Ⅲ.确保钢梁上、下翼缘的局部稳定Ⅳ.有利于提高钢梁的抗剪承载力
A.Ⅱ、Ⅲ
B.Ⅱ、Ⅳ
C.Ⅰ、Ⅱ
D.Ⅲ、Ⅳ
85、在设计计算钢柱(包括轴压和压弯构件)和钢梁的截面时,一般应考虑强度、稳定性和刚度三方面的要求,其中( )通常是控制因素。
A.稳定性
B.刚度
C.强度
D.强度和刚度
86、下列关于桩承台构造方面的叙述,哪项是不正确的?( )
A.桩嵌入承台的深度不应小于300mm
B.桩的纵向钢筋应锚入承台内
C.混凝土强度等级不应低于C15
D.方形四桩承台底部钢筋应双向布置
87、对钢筋混凝土结构超长而采取的下列技术措施何项不正确?( )
A.加大屋顶层混凝土楼板的厚度
B.楼板中增设温度钢筋
C.采取有效的保温隔热措施
D.板中加设预应力钢筋
88、钢结构设计规范中对角焊缝的抗拉、抗压和抗剪强度设计值三者取( )。
A.相同值
B.不同值
C.视焊缝质量而定的值
D.抗压和抗剪强度设计值为相同值,而抗拉强度需视焊缝质量而定
89、为了防止砌体房屋因温差和砌体于缩引起墙体产生竖向裂缝,应设置伸缩缝。下列哪种情况允许温度伸缩缝间距最大?( )
A.现浇钢筋混凝土楼(屋)盖,无保温层
B.装配式钢筋混凝土楼(屋)盖,有保温层
C.现浇钢筋混凝土楼(屋)盖,有保温层
D.装配式钢筋混凝土楼(屋)盖,无保温层
90、对厚度为240mm的砖墙,大梁支承处宜加设壁柱,其条件取决于大梁跨度,以下所列条件,哪个是正确的?( )
A.大梁跨度大于或等于4.8m时
B.大梁跨度大于或等于6.0m时
C.大梁跨度为4.8m时
D.大梁跨度为7.2m时
91、结构重要性系数γ应按结构构件的安全等级及( )确定。
A.设计使用年限并考虑工程经验
B.设计使用年限
C.结构物的破坏状态
D.施工、使用、维护的要求
92、关于砌体结构房屋的防震缝设置,下列哪项要求是错误的( )?
A.房屋立面高差在4m以上
B.房屋有错层,且楼板高差大于层高的1/4
C.各部分结构刚度截然不同
D.各部分结构质量截然不同
93、某高层建筑用防震缝分成两段,一段为框架结构,另一段为剪力墙结构,则该防震缝宽度的确定,应按哪一种结构?()
A.按两种分别确定,然后取平均值
B.剪力墙
C.框架
D.框架-剪力墙
94、基本雪压的确定条件是( )。
A.当地低洼地面上统计所得的30年一遇的最大积雪自重
B.当地一般空旷平坦地面上统计所得的50年一遇的最大积雪自重
C.建筑物使用期内可能遇到的最大积雪自重
D.当地一般空旷平坦地面上统计所得的30年一遇的最大积雪自重
95、结构设计中的荷载代表值的选取,永久荷载以____作为代表值,可变荷载以___作为代表值。下列正确的是( )。
A.标准值;标准值
B.标准值;准永久值
C.标准值;标准值,组合值,频遇值
D.标准值;标准值,组合值,频遇值或准永久值
96、一直径为60m的圆形大厅,在材料及施工条件均具备的情况下,其屋盖结构最合适的方案是()。
A.钢网架
B.预应力混凝土平板
C.单向受力钢屋架
D.钢筋混凝土井字梁
97、对于有抗震设防要求的砌体结构房屋,门窗洞处不应采用砖过梁,6~8度设防时钢筋混凝土过梁支承长度不应小于下列何值?( )
A.120mm
B.160mm
C.200mm
D.240mm
98、下列全部属于影响柱延性的主要因素的一项是( )。Ⅰ.柱的轴压比Ⅱ.柱的纵向配筋率Ⅲ.柱的配箍率Ⅳ.柱的混凝土的强度等级
A.Ⅰ、Ⅲ、Ⅳ
B.Ⅰ、Ⅱ、Ⅲ
C.Ⅰ、Ⅱ
D.Ⅰ、Ⅱ、Ⅲ、Ⅳ
99、关于设计使用年限,下列正确的是( )。
A.设计使用年限是设计规定的结构或结构构件的使用寿命
B.设计使用年限是设计规定的结构或结构构件的耐久寿命
C.设计使用年限是设计规定的结构或结构构件可按预定目的使用的时期
D.设计使用年限是设计规定的结构或结构构件不需进行大修即可按其预定目的使用的时期
100、砌体结构按承载能力极限状态设计时,对安全等级为二级或设计使用年限为50年的结构构件,其结构重要性系数取值是( )。
A.2.0
B.1.4
C.1.0
D.0.8
101、砌体房屋中,在确定墙体高厚比时,下列哪种叙述是正确的?( )
A.根据承载力确定
B.根据计算需要确定
C.根据建筑设计需要
D.根据墙体的整体刚度确定
102、关于悬索结构,下列说法正确的是()。
A.悬索结构的吊挂索不是屋盖
B.悬索结构的吊挂索只作装饰用
C.悬索结构的吊挂索本身是屋盖
D.悬索结构的吊挂索起到美观作用
103、一根钢筋混凝土简支梁的跨度、最大挠度和一根同样使用条件下的钢筋混凝土的悬臂梁的挑出长度、最大挠度分别相等,当简支梁符合正常使用极限状态的最低要求时,悬臂梁( )。
A.也符合最低要求
B.符合要求
C.不符合要求
D.不能肯定
104、关于高层建筑设置转换层的目的,下列何种说法是正确的?()
A.底层柱网小,上部柱网大,应在连接部位设置转换层
B.为增强底层的抗侧力刚度,应设置转换层
C.上部楼层部分竖向构件不能直接连续贯通落地时,应在连接部位设置转换层
D.高层建筑筒中筒结构应在距地面1/3高度处设置转换层
105、某工程采用400mm×400mm、长26m(有一个接头)的钢筋混凝土预制方桩。设计中采取了下列设计参数,其中哪些项不符合规范要求?( )Ⅰ混凝土强度等级为C15Ⅱ桩中心距0.8mⅢ桩端进入硬黏土层1.2mⅣ配筋率1.0%
A.Ⅲ、Ⅳ
B.Ⅰ、Ⅲ
C.Ⅰ、Ⅱ
D.Ⅱ、Ⅳ
106、轴心受力构件的强度计算一般采用轴力设计值N除以净截面面积A,这对( )是偏于保守的。
A.高强度螺栓承压型连接
B.高强度螺栓摩擦型连接
C.普通螺栓连接
D.B和C
107、对建筑和结构设计而言,下列为提高其抗震能力的描述中,哪个是最全面、正确的?()Ⅰ.建筑及其抗侧力结构的平面布置宜规则、对称Ⅱ,建筑的立面和竖向剖面宜规则Ⅲ.结构的侧向刚度宜均匀变化Ⅳ.结构的竖向抗侧力构件的截面尺寸和材料强度宜自下而上逐渐减小
A.Ⅰ、Ⅱ、Ⅲ
B.Ⅰ、Ⅲ、Ⅳ
C.Ⅰ、Ⅱ、Ⅲ、Ⅳ
D.Ⅰ、Ⅱ、Ⅳ
108、下列为防止普通钢结构生锈腐蚀而影响其强度的措施中,哪一种不可取?( )
A.表面涂刷防锈漆
B.表面做金属镀层
C.适当加大钢材截面厚度
D.表面涂抹环氧树脂
109、下列哪种钢筋不宜用作预应力钢筋?( )
A.冷拉Ⅰ级钢筋
B.甲级冷拔低碳钢丝
C.钢绞线
D.热处理钢筋
110、抗震墙的两端有翼墙或端柱时,其墙板厚度,对于一级抗震墙,除不应小于层高的1/20外,还不应小于()m。
A.160
B.200
C.120
D.250
111、木材具有良好的塑性,下列不正确的是( )。
A.标准小试件的顺纹抗压强度极限为受拉时的40%~50%
B.木材的抗弯强度极限介于抗压和抗拉强度极限之间
C.木结构构件的受压工作要比受拉工作可靠得多
D.木材的抗拉强度,横纹与顺纹几乎相等
112、在建筑结构抗震设计中,针对结构构件的连接,以下说法中错误的是()。
A.预埋件的锚固破坏,不应先于连接件
B.装配式结构构件的连接,应能保证结构的整体性
C.构件节点的破坏,不应先于其连接的构件
D.预应力混凝土构件的预应力钢筋,宜在节点核心区以内锚固
113、在钢筋混凝土高层建筑采用的下列结构中,最大适用高度值最大的是()。
A.全部落地剪力墙结构
B.部分框支剪力墙结构
C.框架结构
D.筒中筒结构
114、关于板柱-抗震墙的结构布置,下列哪一项要求是错误的?()
A.房屋的周边应采用有梁框架,楼、电梯洞口周边宜设置边框梁
B.托板或柱帽根部的厚度(包括板厚)不宜小于柱纵筋直径的10倍
C.房屋高度大于12m时,墙厚不应小于200mm
D.房屋的地下一层顶板,宜采用梁板结构
115、对于钢筋混凝土房屋,当必须设置防震缝时,其宽度应根据哪些因素确定?()Ⅰ.结构类别Ⅱ,房屋高度Ⅲ.设防烈度Ⅳ.场地类别
A.Ⅰ、Ⅱ、Ⅳ
B.Ⅱ、Ⅲ、Ⅳ
C.Ⅰ、Ⅱ、Ⅲ
D.Ⅰ、Ⅱ、Ⅲ、Ⅳ
116、下列与一般黏土砖砌体的多层住宅自重标准值接近的是( )。
A.110kN/m2
B.11kN/m2
C.160kN/m2
D.16kN/m2
117、有抗震设防要求并对建筑装修要求较高的房屋和高层建筑,应优先采用下列何种结构?()Ⅰ.框架结构Ⅱ.框架-抗震墙结构Ⅲ.抗震墙结构
A.Ⅰ或Ⅱ
B.Ⅱ或Ⅲ
C.Ⅰ
D.Ⅲ
118、关于剪力墙小墙肢的抗震设计,下列说法正确的是()。(设墙肢宽度为b,厚度为t)Ⅰ.b/t<3的墙肢比宽厚比大的墙肢在地震中早开裂,早破坏Ⅱ.b/t≥3的墙肢比宽厚比小的墙肢在地震中早开裂,早破坏Ⅲ.b/t不宜小于3Ⅳ.b/t不宜小于6
A.Ⅰ、Ⅲ
B.Ⅱ、Ⅳ
C.Ⅰ、Ⅳ
D.Ⅳ
119、设计钢结构时,应从工程实际出发,应考虑的内容包括( )。Ⅰ.合理选用材料、结构方案和构造措施Ⅱ.宜优先采用定型和标准化的结构和构件Ⅲ.符合防火要求,注意结构的抗腐蚀性能Ⅳ.满足结构在运输、安装和使用过程中强度、稳定性和刚度要求
A.Ⅰ、Ⅱ
B.Ⅰ、Ⅱ、Ⅲ
C.Ⅱ、Ⅲ、Ⅳ
D.Ⅰ、Ⅱ、Ⅲ、Ⅳ
120、以下关于钢筋混凝土柱构造要求的叙述中,哪种是不正确的?( )
A.纵向钢筋净距不小于50mm
B.箍筋应形成封闭
C.纵向钢筋沿周边布置
D.纵向钢筋配置越多越好
参考答案:
【一、单项选择题】
1~5 BDABB 6~10 BCAAB
11~120点击安装“注册建筑师题库APP”查看答案
如果这样刷题不过瘾,请立即安装APP刷题,历年真题、高质量模拟题应有尽有。