一级建造师考试是只有工程类或工程经济类专业且获得大学专科及以上学历并且工作年限以及施工工作年限满足一定年份(具体年限根据学历而定)才可报考。一级建造师考试的内容包括《建设工程经济》、《建设工程法规及相关知识》、《建设工程项目管理》及《专业工程管理与实务》,上学吧一级建造师题库包含了近10年的历年真题及答案解析、另外还包含很多高质量的模拟题,是大家通过考试的好帮手。现在点击安装APP刷题,以下为试卷的详细内容:
一、单项选择题(每小题1分,共70分)参考答案见试卷末尾
1、根据《建设工程施工合同(示范文本)》的规定,合同实施工中工程程师同意采朋承包人的合理化建议,由此所发生的费川或获得的收益应由( )。
A.发包人与承包人另行约定分担或分享
B.发包人承担或享有
C.发包人、承包人和工程师根据约定分担或分享
D.承包人承担或享有
2、某施工项目管理为赶工期,放松施工质量标准,片面追求施工进度,由此造成的质量事故属于( )事故。
A.指导责任
B.操作责任
C.一般责任
D.控制责任
3、政府质量监督机构对施工过程中发生的质量问题进行查处,对问题严重的单位可根据问题性质签发( )。
A.质量问题整改通知单
B.局部暂停施工指令单
C.全面停工通知书
D.临时收缴资质证书通知书
4、在工程进度款的计算中,其单价的计算主要根据( )的工程价格的计算方法决定。
A. 设计概算
B. 投标报价中
C. 发包人和承包人事先约定
D. 发包人和监理工程师事先约定
5、下列组织结构形式中,最容易形成多头领导,造成管理混乱的是( )型。
A.直线
B.职能
C.直线参谋
D.矩阵
6、质量管理的PDCA循环中,A的职能是( )
A.制定质量目标
B.检查计划执行的结果
C.进行行动方案的交底
D.纠偏和预防改进
7、职业健康安全问题及其解决途径不包括( )。
A.人的不安全行为
B.企业对职业健康安全方面的资金投入不够
C.物的不安全状态
D.组织管理不力
8、在分部分项工程成本分析中,目标成本来自( )
A.概算成本
B.投标报价成本
C.施工预算
D.实际消耗成本
9、下列不属于建设施工项目信息分类依据的是( )。
A.项目管理工作的对象
B.项目实施的工作过程
C.项目管理工作的任务
D.项目的分解结构
10、
第 42 题 目前在我国石化行业已经取得成功应用的项目委托方式是( )。
A.设计—施工总承包
B.施工总承包
C.设计采购总承包
D.设计采购施工总承包
11、固定单价合同适用于( )的项目。
A.工期短、工程量变化幅度不大
B.工期长、工程量变化幅度不大
C.工期短、工程量变化幅度很大
D.工期长、工程量变化幅度很大
12、大中型工程项目通常是由若干单项工程构成的,而单位工程是由( )工程构成的。
A.单项
B.分部
C.分项
D.单体
13、工程监理单位与( )应当在实施工程监理前以书面形式签订监理合同。
A.施工单位
B.勘察单位
C.建设单位
D.设计单位
14、建设工程项目实施阶段组织策划的主要工作内容包括( )。
A.实施期组织总体方案
B.项目编码体系分析
C.确定项目质量目标
D.建立编码体系
15、
第32题:大型建设工程项目总进度纲要的内容之一是()
A.里程碑事件的计划进度目标
B.工程项目总进度计划
B.工程项目设计总进度计划
D.工程项目施工总进度计划
16、建设工程项目总进度目标的控制是( )项目管理的任务。
A.施工方
B.供货方
C.管理方
D.业主方
17、施工质量计划或施工组织设计文件的( )过程,是施工企业自主技术决策和管理决策的过程,也是发挥企业职能部门与施工项目管理团队的智慧和经验的过程。
A.编制
B.审批
C.决策
D.执行
18、职业健康安全管理体系和环境管理体系中的作业文件是指( )。
A.管理手册、程序文件
B.管理手册、作业指导书
C.培训、意识和能力
D.作业指导书、程序文件引用的表格
19、下列建设工程项目进度控制的措施中,属于经济措施的是( )。
A.落实资金供应条件
B.选择发承包模式
C.进行工程进度的风险分析
D.优选工程项目的设计、施工方案
20、施工成本计划的编制依据不包括( )。
A.正在签订中的工程合同
B.合同报价书
C.结构件外加工计划和合同
D.劳动力内部挂牌价格
21、对分包商,主要通过分包合同明确双方的( ),保证分包商能及时地按质按量完成合同责任。
A.法律义务关系
B.利益分配关系
C.责权利关系
D.分包责任关系
22、某施工企业进行土方开挖工程,按合同约定9月份的计划工作量为3500m3,计划单价是12元/m3;到月底检查时,确认承包商完成的工作量为3200m3,实际单价为15元/m3。则该工程的进度偏差(SV)和进度绩效指数(SPI)分别为( )。
A.O.36万元;0.91
B.一0.36万元;0.83
C.一0.36万元;0.91
D.0.36万元;0.83
23、EPC交钥匙项目合同条件适用于( )。
A.大型房屋建筑
B.大型土木工程
C.工厂建设
D.大型房屋建筑和土木工程
24、在建设工程施工合同分析时,关于承包人任务的说法,正确的是()。
A.应明确承包人的合同标的
B.工程变更补偿合同范围以合同金额的一定百分比表示时,百分比值越大,承包人的风险越小
C.合同实施中,对工程师指令的变更,承包人必须无条件执行
D.工程变更的索赔有效期越短,对承包人越有利
25、对中型及以上或专业性较强的工程项目,项目监理机构应编制工程建设监理实施细则,并必须经( )批准后执行。
A.监理单位技术负责人
B.总监理工程师
C.专业监理工程师
D.专业工程师
26、建设工程监理合同标准条件中应包括( )等内容。
A. 合同适用的法律
B. 监理业务执行的起止时间
C. 监理的工作范围和内容
D. 合同生效、变更与终止
27、下列关于招标信息发布的表述,错误的是( )。
A.招标人或其委托的招标代理机构应当保证招标公告内容的真实、准确和完整
B.拟发布的招标公告文本应当由招标人或其委托的招标代理机构的主要负责人签名并加盖公章
C.招标人或其委托的招标代理机构应至少在一家指定的媒介发布招标公告
D.招标人或其委托的招标代理机构发布招标公告,应当向指定媒介提供营业执照(或法人证书)、项目批准文件的原件等证明文件
28、建设工程施工质量验收时,对涉及结构安全和使用功能的重要分部工程,应进行( )检测。--P199
A.安全
B.功能性
C.抽样
D.见证取样
29、拟完工程计划施工成本曲线与已完工程计划施工成本曲线的水平距离表示的是( )。
A.进度偏差
B.累计偏差
C.成本偏差
D.计划偏差
30、在承包商施工期间,承包商可能遇到不能预见的地下岩石,导致工期拖延,这类风险应由( )承担。
A.发包人
B.承包人
C.发包人和承包人共同
D.监理工程师
31、
第 50 题 施工作业质量自控的程序中,( )是贯穿整个施工过程的最基本的质量控制活动。
A.施工作业技术的交底
B.施工作业活动的实施
C.施工作业条件的检验
D.施工作业质量的检验
32、安全控制目标的主要内容不包括( )。
A.“预防为主”是实现安全第一的最重要手段
B.安全管理的目标
C.改善生产环境和保护自然环境的目标
D.减少或消除设备、材料的不安全状态的目标
33、施工阶段质量控制的重点是( )。
A.施工作业质量的自控
B.施工作业质量的监控
C.工序的质量控制
D.隐蔽工程验收控制
34、专家调查法的缺点是( )。
A.受专家的知识经验和占有资料的限制
B.简便,易行,容易使人理解并掌握
C.专家的专断行为严重,不易达成共识
D.只能做出定性评价
35、第 31 题 在认证证书有效期内,当出现体系认证证书持有者变更时,( )。
A.可按规定进行复评
B.可按规定重新换证
C.需要重新进行认证
D.待有效期满后再处理
36、在施工过程中投资的计划值和实际值进行比较不合理的是( )。
A.工程预算与概算的比较
B.工程合同价与预算的比较
C.工程款支付与工程合同价的比较
D.工程决算与工程概算的比较
37、在进行直方图的位置观察分析时,如果质量特性数据的分布居中且边界在控制界限以内并与上下限有较大的距离时,说明______。
A.质量能力偏小需要整改
B.质量能力偏在不经济
C.质量能力适中符合要求
D.生产过程存在质量不合格,需要纠编
38、建设工程项目管理规划不对( )进行分析和描述。
A.怎样进行项目管理
B.项目的总投资
C.项目的质量控制具体措施
D.项目的总进度
39、为了保证环境管理体系的有效实施,承担组织对环境责任的应是( )。
A.最高管理层
B.组织的所有部门
C.中层领导及技术负责人
D.具体负责建立体系的主要骨干人员
40、人工费上涨的影响因素不包括( )。
A.社会平均工资增长
B.CPI下降
C.劳动力市场供不应求
D.政府推行高标准的福利政策
41、对混凝土结构局部出现的损伤,如结构受撞击、局部未振实、冻害、火灾、酸类腐蚀、碱骨料反应等,当这些损伤仅仅在结构表面或局部,不影响其使用和外观,可进行的处理方法是 ( )
A.修补处理
B.加固处理
C.返工处理
D.限制使用
42、建设项目工程总承包方的项目管理工作主要在项目的( )。
A. 决策阶段、实施阶段、使用阶段
B. 实施阶段
C. 设计阶段、施工阶段、保修阶段
D. 施工阶段
43、在工程施工实践中,必须树立和坚持一个最基本的工程管理原则,即在确保工程质量的前提下( )。
A.降低管理成本
B.减少安全事故
C.控制人工成本
D.控制工程的进度
44、某工程项目拟采用EPC承包模式,作为承包商,在和业主就合同价格条款进行谈判时,应尽量争取采用______。
A.固定单价合同
B.固定总价合同
C.变动总价合同
D.变动单价合同
45、建设项目质量控制系统中的事中控制是指( )
A.对质量活动的行为约束与对质量活动过程和结果的检查和监控
B.对质量计划的调整与对质量偏差的纠正
C.对质量活动的行为约束与对质量活动结果的评价认定
D.对质量活动前的准备工作与质量活动过程的监督控制
46、某建设工程项目在施工过程中出现混凝土强度不足的质量问题,采用逐层深入排查的方法,分析确定其最主要原因。这种方法是( )。
A.直方图法
B.排列图法
C.控制图法
D.因果分析图法
47、为了实现进度目标,不但应进行控制,还应注意分析影响工程进度的风险,常见的影响工程进度的风险有( )。
A.政治风险
B.军事风险
C.社会风险
D.技术风险
48、投资目标、进度目标、质量目标之间的关系是()的关系。
A.矛盾
B.一致
C.对立
D.对立统一
49、建设工程项目进度控制的经济措施包括( )。
A. 优化项目设计方案
B. 分析和论证项目进度目标
C. 编制资源需求计划
D. 选择项目承发包模式
50、对于争议的处理,一般应以()作为解决的最终方式。
A.诉讼
B.仲裁
C.调解
D.工程师的决定
51、某工程10月份拟完工程计划施工成本50万元,已完成工程计划施工成本45万元,已完成工程实际施工成本48万元,该工程10月底施工成本偏差和进度偏差分别是( )。
A.成本超支3万元;进度拖延5万元
B.成本超支3万元;进度拖延3万元
C.成本节约2万元;进度提前5万元
D.成本节约2万元;进度提前3万元
52、建设工程项目中防治污染的设施,必须经( )验收合格后,该建设项目方可投入生产或者使用。
A.原审批环境影响报告书的环境保护行政主管部门
B.项目所在地环境保护行政主管部门
C.省级以上环境保护行政主管部门
D.项目所在地上一级环境保护行政主管部门
53、建设工程项目施工成本管理的组织措施之一是( )。
A.编制施工成本控制工作流程图
B.制定施工方案并对其进行分析论证
C.进行工程风险分析并制定防范性对策
D.防止和处理施工索赔
54、在国际上,建设工程项目的设计进度计划主要是各设计阶段的设计图样(包括有关的说明)的( )计划。
A.出图
B.交底
C.专业协调
D.数量
55、在合同谈判阶段双方谈判的结果一般以( )的形式,形成书面文件。
A.合同文件
B.合同补遗
C.合同谈判会议纪要
D.合同解释
56、当今时代进行信息管理的核心手段是( )。
A.基于网络的信息处理平台
B.委托咨询公司
C.设立信息管理部门
D.信息的分类
57、在进度控制中,缺乏动态控制观念的表现是()。
A.同一项目不同进度计划之间的关联性不够
B.不重视进度计划的比选
C.不重视进度计划的调整
D.不注意分析影响进度的风险
58、对建设工程项目信息分类按( )分为设计准备信息、设计信息、招投标信息和施工过程信息等。
A.项目管理工作的对象分类
B.项目实施的工作过程
C.项目管理工作的任务分类
D.按信息内容的属性分类
59、下列纠偏措施中,属于投资控制纠偏的经济措施是______。
A.调整项目组织结构
B.优化施工方法
C.制定节约投资奖励措施
D.调整投资控制方法
60、“由担保公司担保,或采取抵押等担保形式”是预付款担保形式中的( )。
A.银行保函
B.发包人与承包人约定的其他形式
C.保留金
D.履约担保书
61、盲目追求建筑产品质量的高标准,而不充分考虑业主的投资规模,是缺乏质量的()考虑的决策。
A.安全性
B.可靠性
C.适用性
D.经济性
62、某工程双代号时标网络计划如下图所示(时间单位:周),在不影响总工期的前提下,工作B可利用的机动时间为( )周。.jpg)
A.1
B.2
C.3
D.4
63、建设工程总承包合同中对总承包的内容规定一般包括从( )到交付使用的工程建设全过程。
A.施工图设计
B.工程开工
C.工程立项
D.勘察设计
64、通过施工成本管理任务中的( ),才能有效地调动每一位员工在各自施工岗位上努力完成目标成本的积极性,为降低施工项目成本和增加企业的积累作出自己的贡献。
A.施工成本控制
B.施工成本分析
C.施工成本考核
D.施工成本核算
65、施工方进度控制的任务是依据( )对施工进度的要求控制施工进度。
A.施工组织设计
B.施工任务委托合同
C.施工平面布置图
D.施工图
66、建设项目管理规划是指导项目管理工作的( )文件。
A.基础性
B.指导性
C.技术性
D.纲领性
67、企业财务部门对竣工工程现场成本核算的目的是( )。
A.分析成本偏差的原因
B.考核项目管理绩效
C.寻求进一步降低成本的途径
D.考核企业经营效益
68、“安全第一”的方针充分体现了( )的理念。
A.安全施工
B.以企业物资为重
C.以人为本
D.以企业利益为重
69、建设工程项目施工成本控制应贯穿于项目从投标阶段开始直至竣工验收的全过程,它是企业全面成本管理的重要环节。下列关于施工成本控制的说法不正确的是( )。
A.成本控制的程序体现了动态跟踪控制的原理
B.成本控制报告不宜单独编制,应根据需要与进度、质量、安全和其他进展报告结合,提出综合进展报告。
C.成本控制报告可单独编制,也可以根据需要与进度、质量、安全和其他进展报告结合,提出综合进展报告。
D.进度报告和工程变更与索赔资料是成本控制过程中的动态资料。
70、环保行政主管部门在收到申请环保设施竣工验收之日起到完成竣工验收,不应超过()天。
A.15
B.30
C.7
D.60
二、多项选择题(每小题2分,共60分)参考答案见试卷末尾
1、下列关于项目管理组织结构模式的表述中,正确的有( )
A.职能组织结构中每一个工作部门只有一个指令源
B.矩阵组织结构中有横向和纵向两个指令源
C.大型线性组织系统中的指令路径太长
D.线性组织结构中可以跨部门下达指令
E.职能组织结构适用于大型组织系统
2、建设工程施工劳务分包合同中,有关劳务报酬最终支付正确的是( )。
A.全部工作完成,经工程承包人认可后14天内,劳务分包人向工程承包人递交完整的结算资料
B.工程发包人收到劳务分包人递交的结算资料后14天内进行核实
C.工程发包人收到劳务分包人递交的结算资料后28天内进行核实
D.工程承包人确认结算资料后14天内向劳务分包人支付劳务报酬尾款
E.工程承包人确认结算资料后28天内向劳务分包人支付劳务报酬尾款
3、需要对施工作业交底进行监督的单位有( )。
A.业主方
B.设计方
C.施工总承包方
D.工程监理机构
E.施工分包方
4、单位工程施工组织设计的内容包括( )。
A. 工程概况及施工特点
B. 作业区施工平面布置设计
C. 施工方案
D. 单位工程施工准备工作计划
E. 施工总进度计划
5、施工过程质量验收中的主控项目是指建筑工程中对______起决定性作用的检验项目。
A.安全
B.功能
C.卫生
D.环境保护
E.公众利益
6、为了做好建设工程项目成本目标的动态控制,进行项目成本信息编码时需考虑的因素包括( )。
A. 概算
B. 标底
C. 预算
D. 施工成本分析
E. 决算
7、对于采用建设项目总承包模式的某建设工程项目,其项目管理规划可以由( )编制。
A. 业主方
B. 业主方的项目管理单位
C. 设计方
D. 施工监理方
E. 项目总承包方
8、矩阵组织结构的特点包括( )。
A.适合于大系统
B.有横向纵向两个指令来源
C.国际上常用
D.职能部门可以对其非直接的下属下达工作指令
E.每个部门只有唯一的下属
9、供货方的项目管理工作主要在施工阶段进行,但它也涉及( )
A.设计准备阶段
B.设计阶段
C.动用前准备阶段
D.保修期
E.运营阶段
10、编制施工预算时,常见的材料消耗量汇总表有( )。
A.金属构件委托加工表
B.钢木门窗委托加工表
C.周转性材料需用量表
D.门窗五金明细表
E.材料消耗的"两算"对比分析表
11、建设工程预付款担保,一般采用( )。
A.抵押
B.交付现金
C.银行保函
D.投标保证金
E.担保公司提供保证担保
12、施工成本控制的依据包括( )。
A.进度报告
B.施工成本计划
C.工程造价
D.工程承包合同
E.工程变更文件
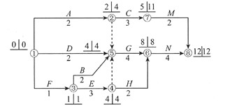
13、某分部工程双代号网络计划如下图所示,提供的正确信息有( )。.jpg)
A.工作B为关键工作
B.工作D的自由时差为4
C.工作F为关键工作
D.工作G、E为非关键工作
E.工作M、H为非关键工作
14、来自于全面质量管理TQC思想的三全管理包括( )。
A.全面质量控制
B.全过程质量控制
C.全员参与控制
D.全方位质量控制
E.全社会质量控制
15、在建设工程项目的实施阶段,项目总进度应包括( )等。
A.设计工作进度
B.施工前准备工作进度
C.工程物资采购工作进度
D.项目动用前准备工作进度
E.项目后评价工作进度
16、施工总承包管理模式与施工总承包模式相比,具有的优点有( )。
A.整个工程项目合同总额的确定较有依据
B.对业主方节约投资较为有利
C.缩短建设周期,有利于进度控制
D.能为分包单位提供更好的管理和服务
E.有利于施工现场的总体管理与协调
17、第80题:项目人力资源管理控制应包括( )。
A.人力资源的选择
B.订立劳务分包合同
C.教育培训和考核
D.编制人力资源需求计划
E.编制人力资源配置计划
18、按照当事人之间的关系对索赔进行分类,可能有( )之间的索赔。
A. 发包人与承包人
B. 发包人与分包人
C. 承包人与分包人
D. 承包人与监理人
E. 分包人与监理人
19、工程建设过程中废水处理的物理方法包括( )。
A.沉淀法
B.筛滤法
C.吸附法
D.反渗透法
E.气浮法
20、
第 90 题 建设工程招标应具备的条件,下面正确的是( )。
A.招标人已经依法成立
B.初步设计及概算应当履行审批手续的,已经批准
C.招标方式已确定
D.有相应资金或资金来源已经落实
E.设计图纸已落实
21、实践表明质量计划的( ),是保证工作质量、产品质量和服务质量的前提条件。
A.切实可行
B.经济合理
C.严谨周密
D.流程合理
E.管理合法
22、在运用分层法对工程项目质量进行统计分析时,通常可以按照( )等分层方法取得原始数据。
A.施工时间
B.合同结构
C.产品材料
D.投资主体
E.地区部位
23、根据《建设工程项目管理规范》(GB/T 50326--2006),项目管理规划大纲的编制依据包括( )。
A.项目可行性研究报告
B.相关市场和环境信息
C.设计文件、标准、规范
D.项目建议书
E.招标文件及有关合同文件
24、某分部工程双代号时标网络计划如下图所示,该计划所提供的正确信息有( )。.jpg)
A.工作B的总时差为3
B.工作C的总时差为2
C.工作D为关键工作
D.工作E的总时差为3
E.工作G的自由时差为2
25、第 71 题 在施工过程中,即使承包商已经按照合同的要求办理了保险,在某些条件下,承 包商仍应及时补办保险,这些条件是指( )。
A.预计将有风险发生
B.工程师认为有必要
C.业主认为有必要
D.工程延期
E.增加新项目
26、某分部工程双代号网络计划如下图所示,其存在的绘图错误有()。
A.多个终点节点
B.多个起点节点
C.节点编号有误
D.存在循环回路
E.有多余虚工作
27、网络计划中工作之间的逻辑关系包括______。
A.工艺关系
B.组织关系
C.主次关系
D.流程关系
E.协调关系
28、下列建设工程项目进度控制措施中,属于经济措施的有()。
A.编制资源需求计划
B.明确资金供应条件
C.落实经济激励措施
D.审核设计预算
E.应用价值工程方法
29、初步评审主要审查的内容有______。
A.投标资格审查
B.投标文件完整性审查
C.投标报价计算的正确性和投标担保的有效性
D.与招标文件是否有显著的差异和保留
E.投标书的计算方法和价格调整
30、建安工程价款的动态结算办法有( )。
A.固定综合单价法
B.按主材计算价差法
C.调值公式法
D.工料单价法
E.竣工调价系数法
参考答案:
【一、单项选择题】
1~5 AADCB 6~10 DBCDD
11~70点击安装“一级建造师APP”查看答案
【二、多项选择题】
1 BC 2 AD 3 CD 4 ACD 5 ACDE
6~30点击安装“一级建造师APP”查看答案
如果这样刷题不过瘾,请立即安装APP刷题,历年真题、高质量模拟题应有尽有。