二级注册建筑师考试是从事建筑设计及相关业务活动的专业技术人员参考的一个难度较大的考试,科目考试合格有效期为四年。考试的内容包括场地与建设设计,法律、法规、经济与施工、建筑结构与设备、建筑构造与详图。上学吧二级注册建筑师考试题库汇集了不少试题,为您学习刷题提供支持,现在就点击安装APP刷题。以下为试卷的详细内容:
一、单项选择题(每题1分。每题的备选项中,只有1个最符合题意)参考答案见试卷末尾
1、图示结构的几何体系是()。
A.无多余约束的几何不变体系
B.有多余约束的几何不变体系
C.几何可变体系
D.瞬变体系
2、图示结构的超静定次数是()。
A.1次
B.2次
C.3次
D.4次
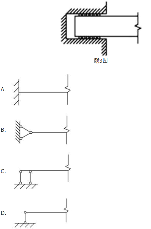
3、图示支座示意图,对应的支座简图是()。
A.A
B.B
C.C
D.D
4、图示结构的零杆数量是()。
A.0
B.1
C.2
D.3
5、图示结构的零杆数量是()。
A.1
B.2
C.3
D.4
6、图示结构弯矩示意图正确的是()。

A.A
B.B
C.C
D.D
7、图示结构弯矩示意图正确的是()。
A.A
B.B
C.C
D.D
8、图示结构剪力示意图正确的是(截面左侧向上及截面右侧向下为正,反之为负)()。
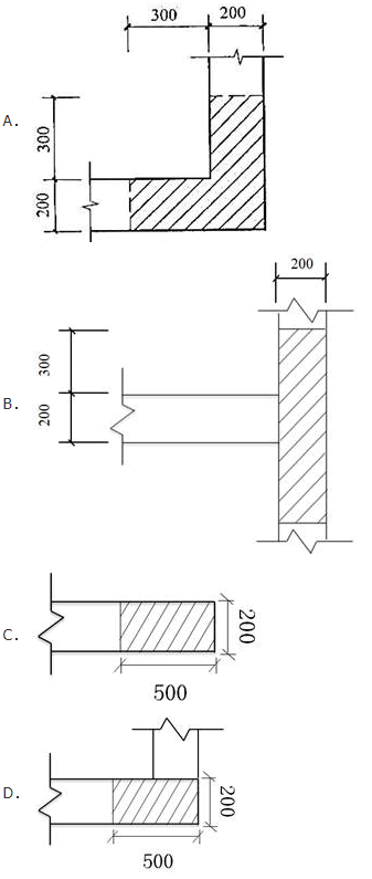
A.A
B.B
C.C
D.D
9、图示结构变形示意图正确的是()。
A.A
B.B
C.C
D.D
10、图示结构,杆1的内力是()。
A.0
B.P/2
C.P
D.3P/2
11、图示结构,杆1的内力是()。
A.轴向拉力
B.轴向压力
C.弯矩
D.剪力
12、图示结构,内力正确的是()。
A.HA=HB
B.HA>HB
C.HA<HB
D.不能确定
13、图示结构,C点的弯矩值是()。
A.Pl/2
B.Pl/4
C.Pl
D.2Pl
14、图示悬臂梁的弯矩图是()。
A.A
B.B
C.C
D.D
15、圆形砌体水池,受静水压力,破坏形式如下图,破坏形式为()。
A.轴心受拉破坏
B.轴心受压破坏
C.偏心受压破坏
D.偏心受拉破坏
16、下列单层砖柱厂房平面布置图中,正确的是()。
A.A
B.B
C.C
D.D
17、以下建筑结构荷载为可变荷载的是()。
A.位置灵活布置的隔墙自重
B.固定隔墙的自重
C.结构构件
D.撞击力或爆炸力
18、下列地震区普通砖砌体结构房屋示意图中,不考虑采用约束砌体等加强措施下,正确的是()。
A.A
B.B
C.C
D.D
19、砌体结构静力计算中不需考虑的是()。
A.横墙间距
B.屋(楼)盖结构刚度
C.纵墙间距
D.房屋空间刚度
20、以下所示为双肢箍筋的是()。
A.A
B.B
C.C
D.D
21、如图在主梁和次梁之间增加附加箍筋的目的是()。
A.承担主梁传来的集中荷载
B.承担次梁传来的集中荷载
C.作为纵向受力构件
D.承担主要剪力作用
22、下图中,屋顶折板配筋正确的是()。
A.A
B.B
C.C
D.D
23、公共建筑的楼梯活荷载标准值为()。
A.2.0kN/m2
B.2.5kN/m2
C.3.0kN/m2
D.3.5kN/m2
24、地震区木结构柱的竖向连接,正确的是:
A.采用螺栓连接
B.采用榫头连接
C.采用铆钉接头
D.不能有接头
25、可拆卸钢结构可使用的连接方法常用的是()。
A.焊接连接
B.高强度螺栓连接
C.铆钉连接
D.普通强度螺栓连接
26、下列钢结构房屋中,选用高度最小的结构类型是()。
A.框架结构
B.框架-中心支撑结构
C.框架-偏心支撑结构
D.筒中筒结构
27、图示单层厂房,设有摇摆柱的是()。
A.A
B.B
C.C
D.D
28、以下结构中允许伸缩缝间距限制最小的是()。
A.装配式框架结构
B.现浇式框架结构
C.装配式剪力墙结构
D.现浇式剪力墙结构
29、图示混凝土梁的斜截面破坏形态,属于斜拉破坏的是()。
A.A
B.B
C.C
D.D
30、建筑的抗震设防烈度一般可取()。
A.罕遇地震烈度
B.地震基本烈度
C.多遇地震烈度
D.最大地震烈度
31、下列与确定建筑结构地震影响系数无关的是()。
A.场地类别
B.设计地震分组
C.结构自振周期
D.结构类型
32、下列属于特殊重点设防类的是()。
A.大学宿舍楼
B.大型体育馆
C.大型博物馆
D.重大传染疾病研究所
33、图示抗震墙的构造边缘构件(阴影范围),错误的是()。
A.A
B.B
C.C
D.D
34、带壁柱墙的砖墙厚度,可按规定采用()。
A.带壁柱墙截面的厚度
B.不带壁柱墙截面的厚度
C.应改用不带壁柱墙截面的折算厚度
D.应改用带壁柱墙截面的折算厚度
35、如图所示,两栋层高3m,5层的钢筋混凝土框架结构,建筑变形缝缝宽是()。
A.80mm
B.100mm
C.120mm
D.140mm
36、下列图中,剪力墙开洞最不利的是()。
A.A
B.B
C.C
D.D
37、下列确定地基承载力特征值的方法中最准确的是()。
A.理论公式法
B.载荷试验法
C.规范表格法
D.当地经验法
38、图示基础结构型式是()。
A.无筋扩展基础
B.钢筋混凝土基础
C.钢筋混凝土独立基础
D.筏形基础
39、下列地基处理方法中,属于复合地基方案的是()。
A.换填垫层
B.机械压实
C.设置水泥粉煤灰石桩
D.真空预压
40、图示挡土墙的类型是()。
A.悬臂式
B.扶壁式
C.重力式
D.锚杆式
41、计算砌体承重结构地基变形允许值的控制指标是()。
A.沉降量
B.沉降差
C.基础局部倾斜
D.结构倾斜
42、下列装配式混凝土建筑建设应遵循基本原则中,错误的是()。
A.耐久性
B.整体性
C.流水化施工
D.标准化
43、下列提高建筑耐久性做法中,错误的是()。
A.外露的锚固端应采取封锚和混凝土表面处理
B.混凝土的抗渗等级应符合有关标准的要求
C.结构混凝土应满足抗冻要求
D.对于混凝土构件,减少钢筋保护层厚度
44、生活饮用水箱不能紧邻的房间是()。
A.通风机房
B.空调机房
C.配电室
D.隔油设备间
45、生活饮用水池(水箱)的设置,下列说法错误的是()。
A.泵房内地面应设防水层
B.应采用独立结构形式
C.周围2.0m内不得有污水管
D.宜设在专用房间内,可与厨房相毗邻
46、不属于给水泵房防噪措施的是()。
A.选用低扬程的水泵
B.选用低噪声水泵机组
C.在出水管上设置减振装置
D.基础设置减振装置
47、关于室内给水管道布置,正确的是()。
A.可穿越变配电房
B.不得穿越电梯机房
C.可在生产设备上方通过
D.可适当影响建筑物的使用
48、室内给水立管可选用的材料,错误的是()。
A.不锈钢管
B.铜管
C.铸铁管
D.金属塑料复合管
49、关于水加热设备机房装置的位置,正确的是()。
A.宜位于系统的两侧
B.水加热设备机房与热源站宜相邻设置
C.宜靠近耗热量最小或设有集中热水供应的最高建筑
D.不宜与给水加压泵房相近设置
50、室外消火栓设计流量确定的主要决定因素是()。
A.建筑高度
B.室外管网布置
C.建筑面积
D.建筑体积
51、下列关于消防水泵房设置做法中,正确的是()。
A.单独建造的消防水泵房,其耐火等级不应低于一级
B.附设在建筑内的消防水泵房,不应设置在地下二层及以下
C.疏散门应直通室外或安全出口
D.附设在建筑内的消防水泵房,应设置在室内地面与室外出入口地坪高差大于10m的地下楼层
52、下列不属于自动喷水灭火系统组成的是()。
A.供水管道
B.火灾探测器
C.增压贮水设备
D.水泵接合器
53、下列房间中对于防水要求最严格的是()。
A.计算机网络机房
B.防排烟机房
C.消防水泵房
D.消防值班室
54、排水管线不可穿越的房间是()。
A.机房
B.宿舍
C.卫生间
D.冷藏库房
55、排水管线通气管对于卫生、安静要求最高的形式可采用()。
A.主通气管
B.器具通气管
C.伸顶通气管
D.环形通气管
56、下列屋面排水方式中不需要设置溢流措施的是()。
A.不能直接散水的屋面雨水排水
B.重力流多斗内排水系统按重现期P小于100a设计
C.民用建筑雨水管道单斗内排水系统按重现期P小于100a设计
D.屋面采用外檐沟可以直接自由排水的坡屋面
57、小区景观水水源适宜使用的是()。
A.生活饮用水
B.生活污水
C.市政中水
D.医疗废水
58、关于中小学饮水器,正确的是()。
A.以温水为原水的直饮水不必进行过滤和消毒处理
B.循环回水不需要进行消毒处理
C.饮水器的喷嘴应水平安装
D.饮水器采用不锈钢材质
59、散热器安装在靠近窗台的外墙下的原因是()。
A.阻断室内热空气流
B.阻断室外冷空气流
C.阻断室内冷空气流
D.阻断室外热空气流
60、下列空调形式选择中,做法错误的是()。
A.空调区较多且各区温度要求独立控制时宜采用风机盘管加新风空调系统
B.空气中含有较多油烟时,不宜采用风机盘管加新风空调系统
C.宾馆客房采用全空气空调系统
D.夏季空调室外设计露点温度较低的地区宜采用蒸发冷却空调系统
61、燃气管道不能穿越的房间是()。
A.厨房
B.非居住房间
C.卫生间
D.燃气表间
62、在住宅设计中,下列哪种做法跟电气安全无关?()
A.供电系统的接地形式
B.卫生间做局部等电位联结
C.插座回路设置剩余电流保护装置
D.金属光纤入户
63、室内用电负荷计算时不需要考虑的是()。
A.建筑面积
B.建设标准
C.电缆数量
D.空调的方式
64、下列房间中可不用设置自备电源的是()。
A.第二电源不能满足一级负荷的条件
B.所在地区偏僻,远离电力系统
C.设置自备电源比从电力系统取得第二电源经济合理
D.配有两路供电的多层住宅
65、室内可燃闷顶内明敷设管线可以使用的管道材料是()。
A.刚性塑料导管
B.塑料导管
C.金属导管、金属槽盒布线
D.接线盒
66、下列做法中属于节能措施的是()。
A.疏散照明宜采用夜间降低照度的自动控制装置
B.夜景照明采用集中控制方式
C.功能性照明宜所有盏灯具设置集中控制开关
D.公共场所的照明,宜采用独立开关控制
67、下列教室照明方式设置不需要考虑的因素是()。
A.工作场所
B.特定区域或目标
C.作业面照度要求
D.讲台高度
68、下列需要设置照明值班的场所是()。
A.面积300m2的商店及自选商场
B.单体建筑面积超过2000m2的库房周围的通道
C.面积250m2的贵重商品商场
D.商店的次要出入口
69、下列关于变电所位置的说法,错误的是()。
A.靠近负荷中心
B.位于教室正上方
C.进出线方便
D.设备吊装、运输方便
70、下列做法中,建筑防雷可以不设置等电位联结的是()。
A.电子信息系统的箱体
B.通信线在不同地点进入防雷区界面
C.各防雷区界面处
D.建筑入口处栏杆
71、下列建筑中需要设置自动喷水灭火系统的是()。
A.高度为24m的住宅建筑
B.不小于50000纱锭的棉纺厂的开包、清花车间
C.面积为1000m2的制衣厂房
D.面积为1000m2的商场
参考答案:
【一、单项选择题】
1~5 ACCCB 6~10 BACCC
11~71点击安装“注册建筑师题库APP”查看答案
如果这样刷题不过瘾,请立即安装APP刷题,历年真题、高质量模拟题应有尽有。